On-line: гостей 8. Всего: 8 [подробнее..]
АвторСообщение
постоянный участник




Пост N: 4270
Info: рациональщик
Зарегистрирован: 06.02.06
Откуда: RUSSIA, Moskow
Рейтинг: 3
ссылка на сообщение  Отправлено: 12.03.25 02:56. Заголовок: Ламповый усилитель T.A.C. 34 Dream


БРЭК! Категорически нельзя это приобретать! Жуткий трэшак!

Там хорошо сделан корпус а вот начинка... трансформаторы я не знаю насколько они соответствуют.
Схема и лампы полный трэш!
Звучания нет, абсолютный тухляк.
Он попал мне в ремонт со странным дефектом, я такое не встречал.
Сгорела лампа el34+ 2 резистора, один на 200 ом в цепи второй сетки и 10 ом в цепи катода. Если бы катод был припаян к земле то сгорел бы трансформатор или выпрямитель или все сразу. Резистор 200 ом в цепи экранной сетки-номинал неадекват. Сетка перегревается, плавится и замыкает на 1 сетку- БАХ и все сгорело.
Схему покажу, это кошмар. Я решил переделать на тех же лампах, проект провальный. На 6н3п лампах ничего не получится.
Представляете, хайенд усилитель собран на 6Н3 китайский вариант без П. Содержит 2 дифкаскада, первый имеет усиление меньше 1. Зачем он нужен?

Второй усиливает на мю лампы то есть 35. Мало! Есть обратная связь, не очень глубокая, но она снижает усиление.
Про этот усилитель прочитал вот что

 цитата:
Немецкая компания Vincent и ее подразделение T.A.C. (Tube Amp Company) выпустили интегральный ламповый усилитель T.A.C. 34 Dream. И, видимо, неспроста они дали ему имя «мечта». О таком устройстве действительно можно мечтать.



Либо немцы его не слушали либо у них белая горячка. Звука в этом усилителе нет от слова совсем.

Я отнесся к модернизации слишком поверхностно, недооценил какашку. Там все очень серьезно, панельки впаяны в печатную плату и это сильно усложняет переделку. Лампы 6Н3П - в мусорку. Надо на другие лампы делать, может быть самобал с SRPP а если оставлять два дифкаскада тогда 12AU7. Обратите внимание на катод первого дифкаскада, резистор 20ком подключен к минус 80в! Это чтобы у него на катоде было около 2,5в.
При этом первый каскад не усиливает совсем.



Вероятность выгорания ламп EL34 высокая, снизить можно заменой резистора на вторую сетку
Хозяин заподозрил что звука нет и купил дорогие лампы EL34, но в результате 2 штуки потерял из-за плохого режима. Я подумал что справлюсь как нибудь, но кажется переоценил возможности. До меня уже кто-то пытался переделывать но ничего хорошего не вышло.
Без резки дорожек на ПП это не переделать так чтобы нормально было. После порезки дорожек продать его за хороший ценник будет не возможно.
Грустно все это. Но ведь продают в магазине и в хрен не дуют. А он не играет от слова совсем.

Спасибо: 0 
ПрофильЦитата Ответить
Ответов - 12 [только новые]







Пост N: 1226
Зарегистрирован: 07.03.16
Откуда: Украина, Полтава
Рейтинг: 4
ссылка на сообщение  Отправлено: 12.03.25 18:47. Заголовок: У меня тоже усилител..


У меня тоже усилитель собран с двойным диффкаскадом. Первая лампа 6Н3П. В катоде 20 кОм. Подключен резистор к источнику "-100 В". Лампа усиливает, как положено. У неё усиление больше, чем у 6Н1П, но меньше, чем у 6Н2П. Вот поэтому её и применяют.
А EL34, скорее всего, сгорела из-за большого тока анода. Проверьте переменный резистор в регуляторе смещения, а ещё лучше, замените на переменный проволочный резистор.


Ссылка на схему не открывается.
Выложите , пожалуйста, здесь.

Спасибо: 0 
ПрофильЦитата Ответить





Пост N: 1356
Зарегистрирован: 13.10.10
Откуда: Йошкар-Ола
Рейтинг: 5
ссылка на сообщение  Отправлено: 13.03.25 13:47. Заголовок: омельян пишет: Ламп..


омельян пишет:

 цитата:
Лампа усиливает, как положено.


Разумеется она усиливает как положено. И у топикстартера усиливает. Просто в сабжевой схеме судя по всему глубина ООС значително больше, чем в вашей. Там в сетке делитель 200/200 Ом против ваших 12к/330 Ом. Правда у вас не известно откуда этот сигнал снимается. В прочем и в сабжевой схеме уровень сигнала ООС не известен.

Спасибо: 0 
ПрофильЦитата Ответить





Пост N: 1227
Зарегистрирован: 07.03.16
Откуда: Украина, Полтава
Рейтинг: 4
ссылка на сообщение  Отправлено: 13.03.25 16:04. Заголовок: Сигнал с вторичной о..


Сигнал с вторичной обмотки трансформатора.

Спасибо: 0 
ПрофильЦитата Ответить
постоянный участник




Пост N: 4272
Info: рациональщик
Зарегистрирован: 06.02.06
Откуда: RUSSIA, Moskow
Рейтинг: 3
ссылка на сообщение  Отправлено: 30.05.25 14:36. Заголовок: омельян пишет: Ламп..


омельян пишет:

 цитата:
Лампа усиливает, как положено


Лампа 6Н3П расчитаная для напряжений 100-130в на аноде а когда на нее дуют +370в и чтобы анодное не вышло за пределы ставят резистор в анод более 100ком тогда это "китайская грамота". Суть в том что в цивилизованном мире и даже в СССР ламповая техника производилась заводами и на ней выросло не одно поколение а в Китае вообще не было никаких ламповых заводов или техники, опыта. И Китай берется собирать и проектировать усилители для хайфая на лампах что крайне подозрительно. Можно конечно копировать но устранять проблемы нелья, китайская голова не может работать "на лампах", она для этого не предназначена, они даже дошираки есть регулярно не могли и рост потому маленький, ноги мелкие. Это тезис "почему Китай в принципе не может делать ламповые усилители".
Нащет 6н3п- она спроектирована для УКВ приемника и работать с относительно низкими напряжениями. Вполне нормально прочитать для чего лампа и выбрать другую, но применять ее в усилителях это чепуха, есть же звуковые лампы. Но в Китае нет понимания что такое "звуковая" лампа, там просто лампа и все.

Спасибо: 0 
ПрофильЦитата Ответить
постоянный участник




Пост N: 4273
Info: рациональщик
Зарегистрирован: 06.02.06
Откуда: RUSSIA, Moskow
Рейтинг: 3
ссылка на сообщение  Отправлено: 30.05.25 15:18. Заголовок: ­Нащет схемы https:..


*PRIVAT*

Спасибо: 0 
ПрофильЦитата Ответить
постоянный участник




Пост N: 4274
Info: рациональщик
Зарегистрирован: 06.02.06
Откуда: RUSSIA, Moskow
Рейтинг: 3
ссылка на сообщение  Отправлено: 30.05.25 16:17. Заголовок: В схеме Омельян аж д..


В схеме Омельян аж два подстроечника, что они решают? Абсолютно ничего, никакой полезной функции. Конечно это не Омельян придумал, чисто прагматически я говорю что эти подстроечники устанавливала сломаная голова и она так пыталась починить схему. Если устанавливается подстроечник то схема сломана и ее нужно починить подстройкой. То же самое и голова, сломаную голову надо постоянно чинить подстройкой а то уезжает. Голова привыкает к тому что ее постоянно чинят и делает тоже самое в схемах.

Спасибо: 0 
ПрофильЦитата Ответить
постоянный участник




Пост N: 4275
Info: рациональщик
Зарегистрирован: 06.02.06
Откуда: RUSSIA, Moskow
Рейтинг: 3
ссылка на сообщение  Отправлено: 30.05.25 16:23. Заголовок: омельян пишет: У не..


омельян пишет:

 цитата:
У неё усиление больше, чем у 6Н1П, но меньше, чем у 6Н2П. Вот поэтому её и применяют.

Большое усиление?
Отношение сопротивлений 56ком и 20ком это приблизительно 2,5 вот такое же там и усиление. Любая лампа на это способна.
Правильно выбросить первый дифкаскад а второй доусилить нормальной лампой.

Спасибо: 0 
ПрофильЦитата Ответить
постоянный участник




Пост N: 4276
Info: рациональщик
Зарегистрирован: 06.02.06
Откуда: RUSSIA, Moskow
Рейтинг: 3
ссылка на сообщение  Отправлено: 30.05.25 16:45. Заголовок: SergeL пишет: Лампа..


SergeL пишет:

 цитата:
Лампа усиливает, как положено.


Разумеется она усиливает как положено. И у топикстартера усиливает.

А почему Вы так решили?
Я считаю усиление при отношении резисторов 10ком в аноде и 20ком в катоде означает около 1. Это так положено? А может и - сколько то.
отношение резисторов по 200ом тоже глупость, китаец подумал что надо сделать низкое сопротивление в цепи сетки, а зачем? Там было бы нормально 50ком хотя бы. значит 100ком+100ком чтобы ток сетки был такой же как у левой лампы, это же дифкаскад! А китаец не прокумекал.
SergeL пишет:

 цитата:
в сабжевой схеме уровень сигнала ООС не известен.

Известен, от выхода обмотки вых тр-ра 4ом.

Спасибо: 0 
ПрофильЦитата Ответить
постоянный участник




Пост N: 4284
Info: рациональщик
Зарегистрирован: 06.02.06
Откуда: RUSSIA, Moskow
Рейтинг: 3
ссылка на сообщение  Отправлено: 14.09.25 00:22. Заголовок: Вот я недавно собира..


Вот я недавно собирал усилитель на заказ, человек серьезный и профинансировал. Всё что нужно это 1 дифкаскад на есс83 по схема самобала, это и усилитель и фазоинвертор зеркальный одновременно а вот второй дифкаскад не нужен, вместо него нужна лампа-нагрузка дополняющая до SRPP чтобы хорошо качать сетки выходных ламп а то их может быть и 4 по 2 впараллель. Но если требуется больше усиления то не надо как китайцы, надо без оос еще один каскад на 6н23п например перед самобалом. А ООС если она есть подается как и было на другой вход самобала.

В гитарных схемах самобал нагружают на разные сопротивления нагрузки 82 и 100ком, а это зачем? А затем что резисторная нагрузка не достаточно хорошо работает и разное выходное сопротивление у триодов а занижение сопротивления, вместо 120ком 100 и 82 это чтобы меньше резались высокие. То есть они режутся, это не нормально но принимается так как пофиг. А у меня не пофиг и нагрузка в виде SRPP также автоматически выравнивает сигнал и на раскачку ламп поступает точно зеркальный сигнал фаза 0 и 180 в равной пропорции.
А схема с двумя дифкаскадами и резистивными нагрузками может резать высшие частоты если не правильно выбирать лампы и напряжения. Кроме подрезания высших она и динамику подрезает. Мне вот интересно где Омельян взял эту схему? В катоде 20кои и питание -90в ну где вы такое встречали в классических усилителях? Это неадекватщина, проникла в схему из-за жгучего желания сделать с соединением двух каскадов по постоянному току и одновременно конденсаторы. То есть автор понимает что это ерунда но продолжает грызть кактус. В китайских усилителях я трижды видел двойные дифкаскады и это мода совместить транзисторную и ламповую схемотехнику. И эти усилители несли мне в переделку ибо не звучат.
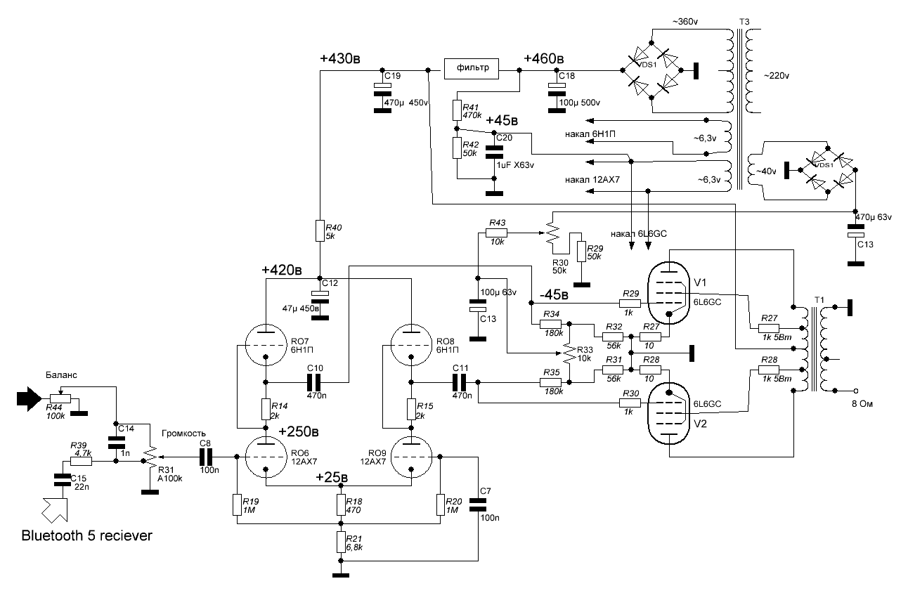
Картинки опять пропали но ничего. Правильная схема не такая а вот такая



Спасибо: 0 
ПрофильЦитата Ответить





Пост N: 1231
Зарегистрирован: 07.03.16
Откуда: Украина, Полтава
Рейтинг: 4
ссылка на сообщение  Отправлено: 01.11.25 01:22. Заголовок: Поздравляю!..


Поздравляю!

Спасибо: 0 
ПрофильЦитата Ответить
постоянный участник




Пост N: 4288
Info: рациональщик
Зарегистрирован: 06.02.06
Откуда: RUSSIA, Moskow
Рейтинг: 3
ссылка на сообщение  Отправлено: 01.11.25 15:09. Заголовок: омельян пишет: Позд..


омельян пишет:

 цитата:
Поздравляю!

Благодарю!
По ходу исполнения данной схемы выяснилось ранее не выясняемое, если в цепь сетки 6Н1П второго этажа включить резистор около 100к то происходит резкий завал АЧХ, нужно как на схеме без сеточного резистора.
Ранее я видел такой резистор в советских схемах, это очевидно ошибка, но она охотно тиражируется радиолюбителями.
По моему схема получилась не плохая, но слегка не докачанная по усилению. Вероятно нужен еще один каскад на 6н23п перед дифференциалом. Но это смотря у кого какой источник, если 0,5в то может быть мало а если ЦАП 2в то нормально. Насчет регулятора тембра, я склоняюсь его добавить, но не как в Симфонии а на регуляторе громкости тембр подключается к отводу, то что обычно называют тон-коррекцией это и есть регулировка тембра от отвода. Схема есть японская и я публиковал. Суть в том что чем выше громкость поднимается на регуляторе громкости тем меньший вклад в регулировку тембра вносится и когда регулятор громкости на максимуме то корректировка АЧХ/тембр полностью отсутствует. Так и должно быть, а не как в Симфонии или в Ригонде, одинаковый вклад в коррекцию АЧХ при любой громкости.
Второй вход дифференциального драйвера можно использовать по разному, можно как вход для блютуса или как вход для обратной связи чтобы обеспечить регулировку PRESENCE - яркость звучания. Не все любят яркий звук.

Спасибо: 0 
ПрофильЦитата Ответить





Пост N: 1386
Зарегистрирован: 13.10.10
Откуда: Йошкар-Ола
Рейтинг: 5
ссылка на сообщение  Отправлено: 05.11.25 16:22. Заголовок: geran2006 пишет: ра..


geran2006 пишет:

 цитата:
ранее не выясняемое


Ну не то, чтобы не выясняемое. Я такую схемотехнику лет 15 пользую. В фонокорректорах. Очень неплохо.
click here

Спасибо: 0 
ПрофильЦитата Ответить
Ответ:
1 2 3 4 5 6 7 8 9
большой шрифт малый шрифт надстрочный подстрочный заголовок большой заголовок видео с youtube.com картинка из интернета картинка с компьютера ссылка файл с компьютера русская клавиатура транслитератор  цитата  кавычки моноширинный шрифт моноширинный шрифт горизонтальная линия отступ точка LI бегущая строка оффтопик свернутый текст

показывать это сообщение только модераторам
не делать ссылки активными
Имя, пароль:      зарегистрироваться    
Тему читают:
- участник сейчас на форуме
- участник вне форума
Все даты в формате GMT  8 час. Хитов сегодня: 1615
Права: смайлы да, картинки да, шрифты да, голосования нет
аватары да, автозамена ссылок вкл, премодерация откл, правка нет