| Автор | Сообщение |
|
Jaster
|
| |
Пост N: 1646
Info: Начинающий любитель.
Зарегистрирован: 04.05.11
Откуда: Россия, Уфа
Рейтинг:
3
|
|
Отправлено: 10.02.19 19:28. Заголовок: 5-ваттный усилитель Хьюстона
Хочу собрать вот такой усилитель: http://soundbass.org.ua/amp/odnotaktnyj-usilitel-xyustona-klassa-a-na-2sk1058-mosfet.html Ранее транзисторный собирал только Семынинский повторитель для наушников. Транзисторов парочка есть 1058. Так же вроде наковырял все детали что нужны. Есть несколько "чайницких" вопросов: 1. Правильно ли я понял, что потребление, указанное в статье - 60вт - это на один канал? Это значит 2.5А тока на канал при 24 вольтах? 2. Трансформатор выдает под нагрузкой 17.7в. Почти идеально подходит. Постоянки получается около 24в 5А. Собственно далее вопросы по деталям: 2.1 - есть диодный мост GBU806. 8А 600в. Запас вроде есть по мощности. Падение на нем 1в указано, это же на каждый диод надо брать при расчете мощности нагрева? Получается 4вх5А= 20 ватт?? 2.2 - есть 4 шт сборки Шоттки SBL3040PT. По идее я могу собрать мост из них, используя диоды в паралель, либо по половинке. Потянут ли они без радиаторов или с небольшими радиаторами, размером примерно с сами сборки? Корпус у них довольно большой, падение 0.65в, это получается 3.25 ватта, правильно? Падение напряжения на Шоттки вроде получше, но смущает не большой запас по напряжению (они на 40в) 3. Не нашел подходящего дросселя, может подскажете какие подойдут из старых советских унифицированных, дабы поискать на Авито? 4. Конденсаторы после моста на какой вольтаж взять? Есть 25в (много и большой емкости) и 50в (мало и небольшой емкости, 2х10000 не наберу никак. 25в получается без запаса совсем. 5. Выходной конденсатор, как я понимаю, по схеме на нем 12в всего, подойдет ли на 16в или лучше 25в взять?
|
 |
|
|
Ответов - 300
, стр:
1
2
3
4
5
6
7
8
9
10
11
12
13
14
15
All
[только новые]
|
|
|
Бокарёв Александр
|
| постоянный участник
|
Пост N: 19628
Зарегистрирован: 04.04.09
Рейтинг:
52
|
|
Отправлено: 10.06.19 14:15. Заголовок: у правых спектр з..
у правых спектр злой, нечетные лезут, звук - серый. Те же 572-3 и 572-10 отличаются как небо и земля по звуку, в пользу 572-3 . А намоленная 211 такая же серятина , как и ГУ48.
|
 |
|
|
sky123
|
| |
Пост N: 24
Зарегистрирован: 08.06.19
Рейтинг:
0
|
|
Отправлено: 10.06.19 15:59. Заголовок: Да я вот уже давно ..
Да я вот уже давно к Г811 присматриваюсь Ну или как вариант попробовать по второй сетке телевизионные качнуть, она тоже ток потребляет межкаскадник нагрузится.
|
 |
|
|
Stan Marsh
|
| |
Пост N: 1648
Зарегистрирован: 20.08.13
Откуда: Россия, Москва
Рейтинг:
3
|
|
Отправлено: 10.06.19 16:12. Заголовок: 811-ая нос хорошо гр..
811-ая нос хорошо грела, в древних аппаратах УВЧ. Больше она никуда не годится.
|
 |
|
|
sky123
|
| |
Пост N: 25
Зарегистрирован: 08.06.19
Рейтинг:
0
|
|
Отправлено: 10.06.19 16:36. Заголовок: Странно, не мало и п..
Странно, не мало и положительных отзывов встречал, даже где то читал что 300b уехала на полку.
|
 |
|
|
Бокарёв Александр
|
| постоянный участник
|
Пост N: 19632
Зарегистрирован: 04.04.09
Рейтинг:
52
|
|
Отправлено: 10.06.19 22:59. Заголовок: sky123 вы сюда на..
sky123 , вы сюда нарочно сметаете всю шелуху с чужих брехаловок, чтобы тутошние- типа- призадумались и сменили концепцию, так? 300В уехала от дурака к умному, а дурак устроил праздник по поводу. Вот, блин, событие......
|
 |
|
|
U.L.F.
|
| постоянный участник
|
Пост N: 3984
Зарегистрирован: 19.02.06
Откуда: Россия
Рейтинг:
10
|
|
Отправлено: 10.06.19 23:38. Заголовок: Vladimir пишет: Опо..
Vladimir пишет: | цитата: | | Опоздали на пару, лампами уже переболел. |
|
Всё циклично. Я уже раза три думал, что переболел. 
|
 |
|
|
sky123
|
| |
Пост N: 37
Зарегистрирован: 08.06.19
Рейтинг:
0
|
|
Отправлено: 11.06.19 00:35. Заголовок: Бокарёв Александр пи..
Бокарёв Александр пишет: | цитата: | | sky123 вы сюда нарочно сметаете всю шелуху с чужих брехаловок, чтобы тутошние- типа- призадумались и сменили концепцию, так? |
|
по сути можете сказать , был опыт с г811?
|
 |
|
|
Бокарёв Александр
|
| постоянный участник
|
Пост N: 19645
Зарегистрирован: 04.04.09
Рейтинг:
52
|
|
Отправлено: 11.06.19 00:58. Заголовок: Её специально сдел..
Её специально сделали на Светлане с понтовым видом, чтобы впарить всяким впечатлительным юнушам. Дима верно пишет, уши греть ими в аппаратах УВЧ. пИШУ вроде понятно: чем правее, тем звук говеннее а мощность на выходе ниже.
|
 |
|
|
sky123
|
| |
Пост N: 40
Зарегистрирован: 08.06.19
Рейтинг:
0
|
|
Отправлено: 11.06.19 01:27. Заголовок: Бокарёв Александр пи..
Бокарёв Александр пишет: | цитата: | | тем звук говеннее а мощность на выходе ниже |
|
А с чего ей быть ниже??? на счёт спора говёнее или нет воздержусь пока не сделаю усилитель на ней и не сравню с 300би,а то вдруг Вы правы, только учтите сравнивать буду на ШП в обратном рупоре или в щите, какая из ламп даст больше реализма та и займет почётное место в моей системе И конечно перед сравнением сниму спектр усилителя с обеих ламп и ачх динамиков, ну а потом решу какая лучше. и ещё твз не будет!!!,потому что он может испортить звук лампы.
|
 |
|
|
Бокарёв Александр
|
| постоянный участник
|
Пост N: 19647
Зарегистрирован: 04.04.09
Рейтинг:
52
|
|
Отправлено: 11.06.19 02:27. Заголовок: какой там "реа..
какой там "реалызьм " от рупора, вы о чем? Не довелось увидеть негорбатого, с ухабами рупора, всегда одно и то же: коленвал В САМОЙ ВАЖНОЙ ОБЛАСТИ. ХОТЯ, наврал, есть пара нормальных, Алтеки , храню ачх обоих, и драйвер TAD 4003 , вот там есть чем полюбоваться. Но рупор по цене небольшой квартиры- это не всем понравится. А самопал - он и есть самопал. Поэтому все рупороведы так шугаются слов " измерить ачх" , их начинает корчить в религиозном экстазе. 811 привлекала тем, что можно качать напрямую от повторителя с токами сетки и плюсом на ней. Что жутко удобно. Но сами эти токи нагонят в сигнал кучу грязи, которую потом убирают оос. Схема как бы простая, но делать её нет желания. Ведро с гуталином.
|
 |
|
|
sky123
|
| |
Пост N: 41
Зарегистрирован: 08.06.19
Рейтинг:
0
|
|
Отправлено: 11.06.19 02:34. Заголовок: Александр так я же н..
Александр так я же написал рупор или щит, ведь щит выдает идеальную ачх и даже используется для измерений фирмами. По поводу рупоров, когда я говорю рупор я имею в виду рупор, а не ящик-рупор естественно в условиях квартиры ни о каких рупорах речи не идет. Бокарёв Александр пишет: | цитата: | | Но сами эти токи нагонят в сигнал кучу грязи |
|
Я считаю по другому , эти токи нагрузят межкаскадник что бы он перестал резонировать и в конце концов есть входная ВАХ и обе полуволны должны быть в плюсе на линейном участке входной вах. я именно межкаскадным понижающим трансом или даже автотрансом буду раскачивать,тогда может быть и смещение удастся пустить сразу с анода драйвера, повторителей не будет.
|
 |
|
|
|
|
Бокарёв Александр
|
| постоянный участник
|
Пост N: 19650
Зарегистрирован: 04.04.09
Рейтинг:
52
|
|
Отправлено: 11.06.19 02:50. Заголовок: щит НЕ ВЫДАЕТ идеа..
щит НЕ ВЫДАЕТ идеальной ачх. Это свойство динамика. Щит убирает эффект смещения резонансной вверх и влияние ящика на средину. Остальное- как повезет. А везет нечасто.
|
 |
|
|
sky123
|
| |
Пост N: 51
Зарегистрирован: 08.06.19
Рейтинг:
1
|
|
Отправлено: 11.06.19 18:19. Заголовок: Да я это и имел в ви..
Да я это и имел в виду что не вносит искажений в ачх, но меня в щитах один момент напрягает, когда сидишь перед щитом все круто особенно БАС без задержки, но когда уходишь в другую комнату или становишься с боку от щита то звук превращается в непонятное нечто, и вот этот момент заставляет думать о других оформлениях.
|
 |
|
|
rv10
|
| |
Пост N: 188
Зарегистрирован: 23.09.19
Рейтинг:
0
|
|
Отправлено: 13.10.19 22:51. Заголовок: Вот не сочтите за ре..
Вот не сочтите за рекламу меня не интересует их продукция, но интересно написано про недостатки мосфетов и достоинства биполяров. или они так рекламируют свои усилители на биполярах, на сколько не предвзята информация кто что думает??? click here
|
 |
|
|
Ученик
|
| |
Пост N: 846
Зарегистрирован: 06.04.13
Рейтинг:
1
|
|
Отправлено: 14.10.19 18:15. Заголовок: rv10 пишет: на сколь..
rv10 пишет: | цитата: | | на сколько не предвзята информация кто что думает???click here |
|
Глупости там пишут.
|
 |
|
|
rv10
|
| |
Пост N: 197
Зарегистрирован: 23.09.19
Рейтинг:
0
|
|
Отправлено: 14.10.19 18:36. Заголовок: биполяры управляются..
биполяры управляются током и в этом действительно есть плюсы в плане звука но и минусов хватает,как всегда. есть какая то особенная динамичность в них но в целом мосфеты мне больше нравятся из-за возможности нагрузки в сток. Но я не пробовал биполяры с общей базой вот эта тема так тема! биполяр с общей базой очень линейный источник тока, вот куда буду копать, так как тема итун для меня очень интересна, только нужно придумать как обойтись без индуктивности на выходе, хотя варианты есть.
|
 |
|
|
Ученик
|
| |
Пост N: 847
Зарегистрирован: 06.04.13
Рейтинг:
1
|
|
Отправлено: 14.10.19 18:44. Заголовок: rv10 пишет: биполяры..
rv10 пишет: | цитата: | | биполяры управляются током и в этом действительно есть плюсы в плане звука |
|
Вот откуда Вы это берёте? Какие могут быть здесь плюсы? rv10 пишет: | цитата: | | биполяр с общей базой очень линейный источник тока |
|
Без обратных связей - нет. rv10 пишет: | цитата: | | тема итун для меня очень интересна |
|
Только она совсем не интересна любой акустике на НЧ...
|
 |
|
|
rv10
|
| |
Пост N: 198
Зарегистрирован: 23.09.19
Рейтинг:
0
|
|
Отправлено: 14.10.19 20:18. Заголовок: А вот здесь Вы не мн..
А вот здесь Вы не много не правы, акустика под итун это ШП нагруженный на рупор, например Лаутер или что то подобное с массивным магнитом, короче басовое звено рупорное, но можно и щит если очень низкодобротный динамик. акустика под итун это тема отдельного разговора. Ученик пишет: | цитата: | | Без обратных связей - нет. |
|
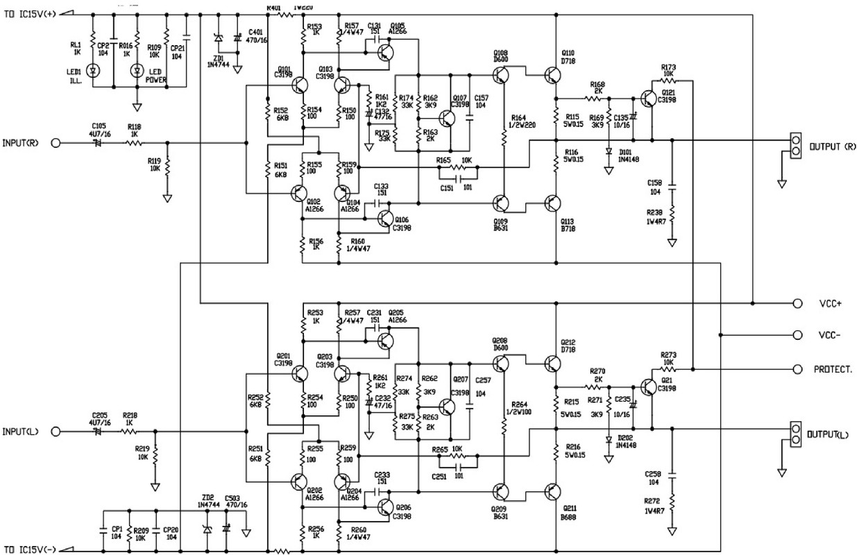
В смысле нет? c обратной связью ведь уже не будет источник тока , если связь не по току, а если по току сделать то как раз и получится источник тока упровляемый напряжением , то что нужно. Ну а без обратной связи будет просто каскад с высоким выходным сопротивлением, их тоже источниками тока называют, Я конечно не зацикливаюсь на теме итунов, в данный момент слушаю полностью балансную схему по напряжению , просто тема итунов крайне интересна потому что с ними динамики по другому звучат, более детально на порядки. Вот схема которую слушаю на данный момент,что скажете? Только электролит и резистор 1к со входа убраны.
|
 |
|
|
zzz
|
| |
Пост N: 1171
Зарегистрирован: 23.03.11
Откуда: Orenburg
Рейтинг:
-1
|
|
Отправлено: 14.10.19 21:00. Заголовок: rv10 пишет: схема ..
rv10 пишет: Я, тоже "слушаю" эту схему Ланзара rv10, выложите фото этой конструкции. Пожалуйста.
|
 |
|
|
Stan Marsh
|
| |
Пост N: 1872
Зарегистрирован: 20.08.13
Откуда: Россия, Москва
Рейтинг:
2
|
|
Отправлено: 14.10.19 21:05. Заголовок: Насчёт ИТУНов споры ..
Насчёт ИТУНов споры идут постоянно. Агеев внёс свою лепту, и нет причин не доверять ему.
|
 |
|
|
Ответов - 300
, стр:
1
2
3
4
5
6
7
8
9
10
11
12
13
14
15
All
[только новые]
|
|