On-line: гостей 3. Всего: 3 [подробнее..]
АвторСообщение
постоянный участник


Пост N: 11346
Зарегистрирован: 04.04.09
Рейтинг: 48
ссылка на сообщение  Отправлено: 11.05.15 02:54. Заголовок: Доработка полочников Танной


Искал давно полочники Танной Меркюри М2, они понравились когда-то, а позже слышал на базе их студийные мониторы Reveal.
Но когда послушал в своей системке эти колонки- стало плохо мне. нудный звук без высоких, средина с выкриками. Бас непонятный.
Когда стал возиться с настройкой, понял, что миды там не тянут высоко, прорисовка у них неважнецкая, хотя звучат спокойно .
С фильтрами фирмачи намудрили, детали тоже абы что.
Несколько раз брался за переделку, много вариантов потом отбросил, но в итоге вырулил фильтры и попал в звучание.
Мидвуферы в этих колонках достаточно дубовые, резонанс 58 герц. С фазоинвертором вышел на 63 герца- и тому рад . Могло быть и хуже.
Пищалы очень ровные и спокойные, сравнивал их со Сканспиком 970000- не уступили сканам. В итоге стык получился примерно на 2400гц, порядок второй на вч(Бессель) и первый на нч. звук необычайно слитный и приятный, объёмный. даже паршивые МП3 с компа играют - не хочется выключать.
А вот как выглядит ачх пары колонок, есть различие на нижних частотах, но это- от различного окружения (угол, мебель)



Теперь дело за малым: выяснить, почему винил так не радует, как звук с компа или сидюка. Так не должно быть, причина, видимо, в корректоре: пентодик, пентодик, тудыть его в качель...

Страница Бокарёва
http://tubeaudio.ucoz.ru/index/stranica_aleksandra_bokarjova/0-51
Спасибо: 0 
ПрофильЦитата Ответить
Ответов - 48 , стр: 1 2 3 All [только новые]


постоянный участник


Пост N: 16118
Зарегистрирован: 04.04.09
Рейтинг: 48
ссылка на сообщение  Отправлено: 25.01.18 03:09. Заголовок: Чтобы сравнивать ч..



Чтобы сравнивать что-то с чем-то, нужны условия.
вы тащите через дырку порта от пары динамиков ваши провода к столу с паяльником и платой фильтров.
Вторая колонка рядом с доработанной , от неё тоже пара проводов. мИНУСЫ МОЖНО СОЕДИНИТЬ, а плюсы перекидывать на выходную клемму усилителя с негромкой музыкой.
На ходу без пищалки слушаете басовик с катушкой и басовик с катушкой+цобель 6,8 ома и 10мк. выслушиваете разницу, оставляете лучший вариант.
Потом подкидываете фильтр от пищалы, слушаете её вклад в общий звук. Для интереса включаете фильтр вч до переделки, сравниваете.
Если есть розовый шум- с ним быстрее и понятнее, чем на музыке. Музыка- обычно когда всё выверено.

Страница Бокарёва
http://tubeaudio.ucoz.ru/index/stranica_aleksandra_bokarjova/0-51
Спасибо: 0 
ПрофильЦитата Ответить



Пост N: 3
Зарегистрирован: 11.01.18
Рейтинг: 0
ссылка на сообщение  Отправлено: 25.01.18 03:18. Заголовок: Переключатель я имел..


Переключатель я имел в виду следующий:
http://shot.qip.ru/00UTYL-2R6eS3nRM/

Спасибо: 0 
ПрофильЦитата Ответить
постоянный участник


Пост N: 16119
Зарегистрирован: 04.04.09
Рейтинг: 48
ссылка на сообщение  Отправлено: 25.01.18 03:40. Заголовок: это варианты нагруз..


это варианты нагрузки , но не выходное сопротивление в его истинном смысле слова.
Просто от величины выходного сопротивления меняются номиналы фильтра колонки. Вам ничего менять не нужно, катушка 1,6 мГн, ёмкость 3.3 - 3.9 мкФ, 1 мГн и 2 ома.

Страница Бокарёва
http://tubeaudio.ucoz.ru/index/stranica_aleksandra_bokarjova/0-51
Спасибо: 0 
ПрофильЦитата Ответить
администратор




Пост N: 7330
Зарегистрирован: 21.05.07
Откуда: Иркутск
Рейтинг: 25
ссылка на сообщение  Отправлено: 25.01.18 13:44. Заголовок: Бокарёв Александр пи..


Бокарёв Александр пишет:
 цитата:
НЕ ПОНЯЛ, какое сопротивление на вашем Сансуе регулируется. Сколь живу, не встретил усилителя с регулируемым выходным сопротивлением.

А есть такие. Не помню фирму. Винтаж 60х годов.

Новый сайт http://tubeaudio.ucoz.ru/
Тел. в Иркутске: рабочий (3952) 23-52-54. моб 661-681. 8-90-25-661-681.
WhatsApp Viber 89647335850
sergeev158(собака)mail.ru Заменить (собака) на @
С уважением, Сергеев Сергей Евгеньевич.
Спасибо: 0 
ПрофильЦитата Ответить
постоянный участник


Пост N: 16121
Зарегистрирован: 04.04.09
Рейтинг: 48
ссылка на сообщение  Отправлено: 25.01.18 14:35. Заголовок: Сергеев Сергей , то..


Сергеев Сергей , тогда на панели должно быть указание, что усилитель , типа, variable output impedance или что-то в этом роде.
На фото же просто указаны варианты подключения колонок , одиночная пара или группа. Ну, чтобы усилитель не упалить.

Страница Бокарёва
http://tubeaudio.ucoz.ru/index/stranica_aleksandra_bokarjova/0-51
Спасибо: 0 
ПрофильЦитата Ответить





Пост N: 169
Зарегистрирован: 08.10.10
Откуда: Оренбург
Рейтинг: 1
ссылка на сообщение  Отправлено: 21.11.18 21:01. Заголовок: Попали в руки М2.5. ..


Попали в руки М2.5. Срисовал схему фильтра - здесь, похоже, мидбас немного другой.


Спасибо: 0 
ПрофильЦитата Ответить
постоянный участник


Пост N: 18372
Зарегистрирован: 04.04.09
Рейтинг: 51
ссылка на сообщение  Отправлено: 21.11.18 23:21. Заголовок: Принцип тот же: пе..


Принцип тот же: первый порядок с цобелем на низу, плюс обвесок катушки , режекция выброса мидбаса на 7 килогерцах. Удаление этой цепи мало на что влияет вообще.
ВЧ- автотрансформатор вместо гасилки и резисторный шунт, -неплохое решение.
Катушку на 1,0 - 1,5 мГн вместо 0,86 мгн с цобелем, - на ВЧ выкинуть 10 мкф - может получиться очень даже.

Страница Бокарёва
http://tubeaudio.ucoz.ru/index/stranica_aleksandra_bokarjova/0-51
Спасибо: 0 
ПрофильЦитата Ответить





Пост N: 171
Зарегистрирован: 08.10.10
Откуда: Оренбург
Рейтинг: 1
ссылка на сообщение  Отправлено: 25.11.18 20:16. Заголовок: Намотал катушку 1,5м..


Намотал катушку 1,5мГн с несколькими отводами, субъективно приятней на 1,2мГн (в цепи мидбаса только катушка, электролит 10мкФ на ВЧ закорочен). Играет на моё ухо получше, чем заводской вариант, но полочники на Сканспиках всё равно ровнее, чище и детальней.
Сейчас размышляю, стоит ли переделывать секцию ВЧ.

Спасибо: 0 
ПрофильЦитата Ответить
постоянный участник


Пост N: 18381
Зарегистрирован: 04.04.09
Рейтинг: 51
ссылка на сообщение  Отправлено: 26.11.18 23:07. Заголовок: Как сказал мне оди..


Как сказал мне один добрый знакомый, -звук Танноев, он такой....размазнёвый, но очень душевный.

Страница Бокарёва
http://tubeaudio.ucoz.ru/index/stranica_aleksandra_bokarjova/0-51
Спасибо: 0 
ПрофильЦитата Ответить
постоянный участник


Пост N: 18383
Зарегистрирован: 04.04.09
Рейтинг: 51
ссылка на сообщение  Отправлено: 27.11.18 14:35. Заголовок: Serg_AD у Танноя ..


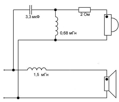
Serg_AD у Танноя катушка вч очень малой индуктивности, что-то там....0,22мгн, я ставил 0,68, с емкостью 3.3- 3.9 мкф, плюс гасилка 2 ома, получилось неплохо. Участок мидвуферский, отвечающий за средину, подтянутый цобелем, без цобеля проваливается, зато его воспроизводит пищалка, причем более успешно. Поэтому после переделки колонка звучит прозрачнее.

Страница Бокарёва
http://tubeaudio.ucoz.ru/index/stranica_aleksandra_bokarjova/0-51
Спасибо: 0 
ПрофильЦитата Ответить





Пост N: 172
Зарегистрирован: 08.10.10
Откуда: Оренбург
Рейтинг: 1
ссылка на сообщение  Отправлено: 27.11.18 19:59. Заголовок: Полочники собраны и ..


Полочники собраны и уже стоят на кухне (куда и предназначались). При случае намотаю катушки 0,68мГн и обязательно попробую.

Спасибо: 0 
ПрофильЦитата Ответить
постоянный участник


Пост N: 18389
Зарегистрирован: 04.04.09
Рейтинг: 51
ссылка на сообщение  Отправлено: 27.11.18 23:15. Заголовок: В пробном варианте ..


В пробном варианте катушки вч вообще не было, стоял конденсатор на 3.3 мкф и резистор 2 ома. И было шикарно. но позже врезал катушку и стык прочистился.

Страница Бокарёва
http://tubeaudio.ucoz.ru/index/stranica_aleksandra_bokarjova/0-51
Спасибо: 0 
ПрофильЦитата Ответить





Пост N: 173
Зарегистрирован: 08.10.10
Откуда: Оренбург
Рейтинг: 1
ссылка на сообщение  Отправлено: 02.12.18 20:16. Заголовок: Намотал катушку, пер..


Бокарёв Александр пишет:

 цитата:
у Танноя катушка вч очень малой индуктивности, что-то там....0,22мгн, я ставил 0,68, с емкостью 3.3- 3.9 мкф, плюс гасилка 2 ома, получилось неплохо.


Намотал катушку 0,68 мГн, переделал секцию ВЧ. После прослушивания перепаял катушку мидбаса на 1,5 мГн. Пожалуй, это лучший вариант из опробованных.
Кстати, импеданс динамиков не измерял, а активное сопротивление 3,2 Ома у мидбаса и 4,3 у твитера.
Но звук полочников на сканах всё равно нравится больше

Спасибо: 0 
ПрофильЦитата Ответить
постоянный участник


Пост N: 18436
Зарегистрирован: 04.04.09
Рейтинг: 51
ссылка на сообщение  Отправлено: 02.12.18 20:39. Заголовок: а, у вас, похоже, ..


а, у вас, похоже, 4- омный вариант колонок! Тогда понятно, почему такие малые катушки и лошадиные емкости. 4-омный басовик и 6-омная пищала.

Страница Бокарёва
http://tubeaudio.ucoz.ru/index/stranica_aleksandra_bokarjova/0-51
Спасибо: 0 
ПрофильЦитата Ответить





Пост N: 174
Зарегистрирован: 08.10.10
Откуда: Оренбург
Рейтинг: 1
ссылка на сообщение  Отправлено: 02.12.18 21:34. Заголовок: Крепление платы с фи..


Крепление платы с фильтром, похоже, придётся усиливать – катушка 1,5 мГн без сердечника, плюс 0,68

Спасибо: 0 
ПрофильЦитата Ответить
постоянный участник


Пост N: 18437
Зарегистрирован: 04.04.09
Рейтинг: 51
ссылка на сообщение  Отправлено: 02.12.18 22:08. Заголовок: Я клеил катушку п..


1,5мГн без сердечника- это крипич. Я оставил родную катуху , на лапше . Воздушка не поместилась бы точно.

Страница Бокарёва
http://tubeaudio.ucoz.ru/index/stranica_aleksandra_bokarjova/0-51
Спасибо: 0 
ПрофильЦитата Ответить





Пост N: 176
Зарегистрирован: 08.10.10
Откуда: Оренбург
Рейтинг: 1
ссылка на сообщение  Отправлено: 04.12.18 13:19. Заголовок: https://i.postimg.cc..




Хотелось бы ещё раз уточнить – положительный результат получен в конкретной системе, для конкретных ушей. В других условиях итог, возможно, будет иной.
Александру – спасибо за советы

Спасибо: 0 
ПрофильЦитата Ответить
постоянный участник


Пост N: 18452
Зарегистрирован: 04.04.09
Рейтинг: 51
ссылка на сообщение  Отправлено: 04.12.18 17:04. Заголовок: Вот это по-нашенск..


Вот это по-нашенски! Просто, звучно, без наворотов. Чем лучше динамики, тем проще фильтры, а у Танноев динамики очень приятные.
Рад вашему успеху!
ПС. Резистор С2-10 - лучший из лучших. Емкость- вообще Solen, Франсе, браво!

Страница Бокарёва
http://tubeaudio.ucoz.ru/index/stranica_aleksandra_bokarjova/0-51
Спасибо: 1 
ПрофильЦитата Ответить
постоянный участник




Пост N: 1750
Зарегистрирован: 28.09.09
Откуда: Украина, Черновцы
Рейтинг: 10
ссылка на сообщение  Отправлено: 05.12.18 01:51. Заголовок: Еще бы оси катушек с..


Еще бы оси катушек сделать непараллельными для порядка в части наводок из одной на другую. Положить верхнюю, например.

Спасибо: 0 
ПрофильЦитата Ответить
постоянный участник


Пост N: 18459
Зарегистрирован: 04.04.09
Рейтинг: 51
ссылка на сообщение  Отправлено: 05.12.18 02:12. Заголовок: вместо басовика вкл..


вместо басовика включить резистор, вход вч фильтра заземлить, дать шум розовый и слушать в пищалке наведенный шум от басовой катушки. Не услышали- можно не дергаться.

Страница Бокарёва
http://tubeaudio.ucoz.ru/index/stranica_aleksandra_bokarjova/0-51
Спасибо: 0 
ПрофильЦитата Ответить
Ответов - 48 , стр: 1 2 3 All [только новые]
Ответ:
1 2 3 4 5 6 7 8 9
большой шрифт малый шрифт надстрочный подстрочный заголовок большой заголовок видео с youtube.com картинка из интернета картинка с компьютера ссылка файл с компьютера русская клавиатура транслитератор  цитата  кавычки моноширинный шрифт моноширинный шрифт горизонтальная линия отступ точка LI бегущая строка оффтопик свернутый текст

показывать это сообщение только модераторам
не делать ссылки активными
Имя, пароль:      зарегистрироваться    
Тему читают:
- участник сейчас на форуме
- участник вне форума
Все даты в формате GMT  8 час. Хитов сегодня: 108
Права: смайлы да, картинки да, шрифты да, голосования нет
аватары да, автозамена ссылок вкл, премодерация откл, правка нет