On-line: гостей 9. Всего: 9 [подробнее..]
АвторСообщение





Пост N: 107
Зарегистрирован: 15.11.16
Откуда: Саблино
Рейтинг: 2
ссылка на сообщение  Отправлено: 31.01.23 14:32. Заголовок: Оригинальные (ещё английской сборки) QUAD ESL63


Попали мне в ремонт оригинальные АС QUAD ESL63. Как потом оказалось после вскрытия на полное восстановление.
Возникла мысль, как не надо ремонтировать электростаты. Потому и решил здесь подробно расписать процедуру ремонта.
До этого была в ремонте одна пара 63-х, но слегка модернизированных - была снята родная защитная плёнка. Какого чёрта её туда прилепили, я писал в теме про Китайской выделки Кводы. Отличий от 2805 не много, но они есть. В аглицких защитная плёнка натянута на пластиковую рамку, а рамка вставляется в пазы рамки корпуса. Это исключает дребезг, да и вставлять легче, чем прикручивать шурупами (не саморезами по металлу, а именно шурупами). Зато как она хлопает. Песня. Прямо как забитое полиэтиленом разбитое окно. Хлоп да хлоп слышится на барабане даже на полуватте.
Причина, по которой надо было АС ремонтировать, была в зуде. Жужжала АС при включении, как противная муха. К сожалению не удаётся вложить аудиофайл с зудом. Я такого никогда не слышал и предположил (запись мне прислал хозяин АС, для понимания того, что там происходит). Это был не пробой с щелчками, а непрерывное жужжание. Я предположил, что плёнка порвалась, загнулась (как сыр на ветру) и цепляет за статор. Ну или это, плюс пробой одного из диодов в умножителе. Неонка наконец. Всё оказалось не верным.
Далее по порядку.
https://i.postimg.cc/rsZ2mp0q/01.jpg
На фото нижняя часть металлической защитной сетки, закреплённая скобами. Увидел такие царапины, и это меня насторожило. Далее увидел вот это:
https://i.postimg.cc/C13SH5MJ/02.jpg
Достаточно приличная вмятина на сетке. Сразу при стягивании чулка защитной ткани не обратил на вмятину внимания. После снятия сетки увидел, что вертикальные стойки слегка погнуты, но и это меня не насторожило, ну выпрямлю, делов то. Сейчас сниму неисправную панель, перетяну плёнку и готово, ну может с блоком питания повожусь. И тут я увидел такое, что понял, что я влип надолго.
https://i.postimg.cc/Bv3hD0GD/03.jpg
Тут стало понятно, что в этой колонке (она же АС, а по результату подробного обследования "кАлонке") уже сильно копались. и так, что провода плавились.
Пишите, кто заметил что не так с проводами. Отпаял это я.
Продолжение расследования в следующей части.

С уважением
К. А. Арзуманов
arka57(зобака)mail.ru
+79523978520
Спасибо: 0 
ПрофильЦитата Ответить
Ответов - 16 [только новые]







Пост N: 108
Зарегистрирован: 15.11.16
Откуда: Саблино
Рейтинг: 2
ссылка на сообщение  Отправлено: 01.02.23 23:46. Заголовок: Продолжение 1


Я тут собственно о чём. О том, как не надо ремонтировать чужое изделие. Своё можно, как угодно.
Про провода никто не сообразил. На всех электростатах фирмы Квод (далее не буду переключать раскладку, так проще) высоковольтный провод оранжевого цвета. А тут кусок зелёного провода. Дальше больше. Для понимания
Рисунок 4.Первое, что попалось на глаза - картинка из Википедии:

При разборке панели оказалось, что выглядит она так:
Рисунок 5

Картинка выделена из видеофайла, поэтому качество совершенно не кергуду. Видно, что панель статора при ударе (скорее всего) или от старости (моловероятно) отскочила и висит свободно, хотя должна быть приклеена к пластмассовому основанию.
И должна выглядеть так (это уже отремонтированный статор)
Рис 6

Те же… штуки, вид с боку.
Рис7

Извините, что в первой части не помнил как вставить картинку. Вспомнил.
Это далеко не вся детективная история. Продолжение завтра.

С уважением
К. А. Арзуманов
arka57(зобака)mail.ru
+79523978520
Спасибо: 1 
ПрофильЦитата Ответить



Пост N: 1027
Зарегистрирован: 21.02.19
Откуда: Vancouver
Рейтинг: 2
ссылка на сообщение  Отправлено: 02.02.23 02:53. Заголовок: Карен Арзуманов пише..


Карен Арзуманов пишет:
 цитата:
Видно, что панель статора при ударе (скорее всего) или от старости (моловероятно) отскочила и висит свободно


У меня в инструкции на Магнепаны есть предупреждение избегать длительного воздействия прямого солнечного света. На форумах я прочитал что клей от воздействия ультрафиолета "перестаёт фунциклировать". Конечно, это случается не в один момент, а если колонка простояла прямо напротив незашторенного окна, скажем, три летних сезона в каком-нить Техасе.

Спасибо: 0 
ПрофильЦитата Ответить





Пост N: 110
Зарегистрирован: 15.11.16
Откуда: Саблино
Рейтинг: 2
ссылка на сообщение  Отправлено: 03.02.23 19:22. Заголовок: Грели, грели, перегрели?


Спасибо шефу за идею.
Мысль такая была, но я её гнал. Хотя вполне себе от солнца клей мог "поплыть", а при падении оторваться.

С уважением
К. А. Арзуманов
arka57(зобака)mail.ru
+79523978520
Спасибо: 0 
ПрофильЦитата Ответить





Пост N: 111
Зарегистрирован: 15.11.16
Откуда: Саблино
Рейтинг: 2
ссылка на сообщение  Отправлено: 03.02.23 20:14. Заголовок: Продолжение 2


Первую панель после наклейки плёнки металлизированной (она же подвижная диафрагма, она же ротор и т. д.) склеить и собрать панель труда не составило. Для проверки на "вшивость" поставить надо бы на прогон. Работал дома, сама АС на бывшей работе, пришлось собрать на двух силовых трансформаторах и двух выходных нечто подобное схеме на рисунке 4. Умножитель на 6 дал напряжение поляризации 4950В (в родной схеме 5.1-5.5 кВ, откуда такой разброс не знаю, но так написано в инструкции).
Неделя на прогоне дала щелчки пару раз при повышении влажности.
А вот теперь о влажности и технике безопасности.
В советском (а потом и Российском) ГОСТе пробой на 220 В (просто это помню на всю жизнь) проверяется так: на испытуемое изделие подаётся в течении часа при температуре 20 градусов и влажности 65% переменное напряжение 3.0 кВ или постоянное 4.2 кВ.
Вопрос: а какого нехорошего мифического существа с рогами и копытами не должен происходить пробой при расстоянии 3 мм между статором и ротором всего 3 мм и напряжении 5000В. В ГОСТе га надёжность не разрешалось сетевые выводы (штыри на плате например) располагать ближе чем на расстоянии 4 мм. ; и 220 и 3 и 5000. Потому и дохнут. Я попробовал при прогоне повысить влажность. Поставил рядом парогенератор и следил за влажностью рядом с панелью. При 80% включился "счётчик Гейгера". Такие вот пироги.И никакая защитная плёнка не поможет, разве что от прямых брызг воды.
Но это всё отступление от детектива.
Вторая НЧ панель оказалась ремонтированной вдоль, а потом видимо поперёк. Панель статора с одной и другой стороны отклеилась от пластикового основания и была заклеена потом МАСТЕРОМ клеем. снаружи. потом другим клеем.
Рисунок 8 Со снятым ротором двойной портрет на столе.

Видно, что клей нанесён везде. кое где выступает на 0.5 мм, то есть расстояние между двумя поверхностями при напряжении 5 кВ уменьшено до 2.5 мм. Тоже треск (пробой). Теперь сижу и как человек, которому совсем нечего делать вручную чищу остатки клея. Отмывать панель статора нельзя, так как там наклеена капроновая сетка, а пластик растворяется ацетоном и 646-м растворителем. Искать - себе дороже. Или сломаешь чего, или само сломается. Работа интеллектуальная, больше часа спина такого напряжения интеллекта не выдерживает.
Мне всё больше идея перегрева или разрушения при "наСолнцестоянии" кажется более правдоподобной. Но от этого только страшней, так как и две оставшиеся панели могут оказаться больными.
Продолжение следует но уже не деФективное, но техническое. Для тех, кто займётся ремонтом этих монстров, или не дай бог самостоятельным их изготовлением.

С уважением
К. А. Арзуманов
arka57(зобака)mail.ru
+79523978520
Спасибо: 0 
ПрофильЦитата Ответить



Пост N: 1029
Зарегистрирован: 21.02.19
Откуда: Vancouver
Рейтинг: 2
ссылка на сообщение  Отправлено: 03.02.23 22:49. Заголовок: Напряжение пробоя?? ..


Напряжение пробоя??
Карен, у меня есть ответ по существу. Понимате, все вот эти "мембранные" технологии в Сев.Ам. практически не стандартизованы. Если обычные динамики подпадают под стандарты Аудио Института (или как он там называется), то на мембранные никто стандартов не устанавливал и поэтому они каГбе считаются "экспериментльными". Несмотря ня то, что продукт выпускается под 50 лет уже.

Да, все эти изделия можно технически обмерить, вывести все параметры, график АЧХ и проТчее, но.. все эти фирмы, Квады, Магнепаны, рассматриваются наподобие кустарного производства. Да, у них там всё уже отточено, и репутацией они очень дорожат, но всё равно это делается в сарайчике.. и отношение к этому всему "п-фе-е.."

Эта информация напрямую не проговаривается, я к такому выводу пришёл прочитав много чего на форумах. Среднестатистический обыватель вообще не знает что эти технологии и фирмы существуют, поэтому и стандартизации на это всё тоже особой нет.

Спасибо: 0 
ПрофильЦитата Ответить





Пост N: 1620
Зарегистрирован: 25.08.20
Откуда: Искитим, НСО
Рейтинг: 4
ссылка на сообщение  Отправлено: 03.02.23 23:36. Заголовок: А разве правило "..


А разве правило "киловольт на миллиметр" не относится к точечным источникам или, что более практично в наших условиях, к двум рядом расположенным концам проводников? Разряд происходит в тех местах, где больше плотность электронов на поверхности - это вызывает ионизацию воздуха и по ионам уже бежит искра пробоя.
Теоретически, если на плёнке нет пыли и ворсинок, то она должна быть преградой (как в плёночных конденсаторах)...

__________________
Андрей
Спасибо: 0 
ПрофильЦитата Ответить





Пост N: 112
Зарегистрирован: 15.11.16
Откуда: Саблино
Рейтинг: 2
ссылка на сообщение  Отправлено: 04.02.23 18:01. Заголовок: Про пробой и пропой.


С киловольтами и миллиметрами без пол-литры не обойтись.
В советском ГОСТе так и было. 4 мм на 4.2 кВ., но зависимость совсем не линейная. Просто совпало 4х4, прямо полный привод.
Абсолютно согласен про пылинки и прочие неровности, где тонко, там и рвётся. Но утверждение про мм/кВ справедливо лишь при сухом воздухе. Если жить в квартире с бетонными или кирпичными стенами, после того, как на кухне закипит чайник, а свисток не засвистит, Электростаты лучше не включать. Щёлкают все, но электростаты чаще. Это их беда (одна из). но все вынуждены с этим мириться из-за звука.
Я надеюсь 50 лет экспериментов к чему-нибудь приведут. На наших АСЭ-1 , кажется так они назывались расстояние было побольше, напряжение поменьше. Как результат - и чувствительность поменьше. Но всё равно, шили иногда как швейная машинка.

Подскажите пожалуйста в ЛС, как разместить картинку большого размера, хотел привести схему, чтобы было всё понятнее, но получается только маленькая.

С уважением
К. А. Арзуманов
arka57(зобака)mail.ru
+79523978520
Спасибо: 0 
ПрофильЦитата Ответить





Пост N: 1265
Зарегистрирован: 23.03.11
Откуда: Orenburg
Рейтинг: -2
ссылка на сообщение  Отправлено: 05.02.23 06:43. Заголовок: https://elstat56.net..

Спасибо: 0 
ПрофильЦитата Ответить



Пост N: 1032
Зарегистрирован: 21.02.19
Откуда: Vancouver
Рейтинг: 2
ссылка на сообщение  Отправлено: 05.02.23 08:19. Заголовок: Нашёл свой пост на н..


Нашёл свой пост на напе, может вам будет полезно в плане идей.
Электростатические колонки, инфа для самодельщиков
.. .. наткнулся на отличную DIY инфу буквально неделю назад. Я никогда не интересовался ESL-ами, мне больше зашли Магнепаны.

Однако, сначала мне ЮТуП подсунул видео
:


Звучат очень неплохо, пошёл искать, а это, оказывается, известный американский билдер таких колонок по никнейму Jazzman, а по имени Чарли, и у него есть сайт, где он досконально рассказывает процесс, много фото и сопутствующей информации: принцип работы, схема, как тянуть "струны" - и даже видео, и т.д. Хоть прям щас бери и делай:
http://jazzman-esl-page.blogspot.com/

Я так понял он зарабатывал этим на жизнь, но по причине возраста отошёл от дел (( В своём блоге пишет, что по многолетним настойчивым просьбам друзей 3 года назад он начал изготавливать 4 пары своих ESL MkIII, и что в процессе работы сильно устал и скорее всего больше делать их не будет.. поэтому делится информацией со всеми желающими повторить.

Спасибо: 1 
ПрофильЦитата Ответить





Пост N: 113
Зарегистрирован: 15.11.16
Откуда: Саблино
Рейтинг: 2
ссылка на сообщение  Отправлено: 05.02.23 19:19. Заголовок: Продолжение 3, техническое.


К сожалению мало кому могут быть полезна информация о других производителях АС.
Сразу оговорюсь, что никого не призываю следовать моим рекомендациям. Это моё мнение об этих АС.
Рекомендации приведённые мною относятся только к пользователям с достаточной долей уверенности считающих, что на них (на этих АС) никто не будет устраивать дискотеку. Не будет поливать их водой. Дети и собаки не будут на них писать, иначе это будет в прямом смысле Х...вая смерть (шутка, ну щипанёт, но охоту отобъёт, но на следующие разы, но первый то уже будет).
Ну и последнее, я снимаю с себя всю ответственность, если следуя моим рекомендациям, будете делать это в подпитии или с не выключенными из сети АС.

С КВОДами (вообще-то Квадами, но нам так привычнее). Когда они потекли к нам тонким ручейком в начале 90-х. Они меня сильно впечатлили. Прослушивание в салоне или на выставке впечатлило сильно, но когда появились у первого клиента/знакомого, при долгом прослушивании кроме АХ, появилось (при всех неумолимых достоинствах), появилось "ну не ...п жеж вашу маменьку". Поначалу было непонятно, что же так может раздражать.
Хозяин АС рассказал странную на мой взгляд историю. После того, как он их (АС) приобрёл, связался с производителем. Представитель техотдела пообщавшись с покупателем, убедившись в его достаточной технической грамотности и адекватности посоветовал снять тряпку, сетку и содрать плёнку. Хозяин АС конечно не стал этого делать, конечно. Лезть в такую дорогую, культовую игрушку (это сейчас 15000 не самые большие деньги, а тогда трёшку в Питере можно было купить, а может ещё и осталось бы). Но имея под руками такого грамотного и безбашенного идиота как я (молод был, глуп, но это прошло, в смысле молодость), мы полезли.
Первое впечатление Как потом слышал от многих (формулировка не моя, я не поэт): "это как заниматься любовным процессом в резервативе и без".
Когда стали слушать, "разув" пока одну АС послушали разницу. Она была огромна. Я тогда не слышал вышеприведённой формулировки, иначе с умным видом продемонстрировал бы своё остроумие.
Далее. Без эмоций.
1) Плёнка почти не ухудшает микродинамику и стереокартинку. Это было для меня странным, я ожидал большей разницы
2) Звук стал "полегче", полётней.
3) Перестало быть слышно хлопанье плёнки, на переделанной АС было слышно хлопанье любого басового барабана и бочки даже на самой небольшой громкости.
4) Как будто прибавилось баса, но это вряд ли, скорее "эйфория от успехов".
Ну вроде и всё. Потом я нашёл схему и был приятно удивлён. Не тем, что они такие молодцы, а тем, что они такие идиоты, а я один в белом и звать меня Монте Кристо. Но обо всём этом можно рассуждать только со схемой.
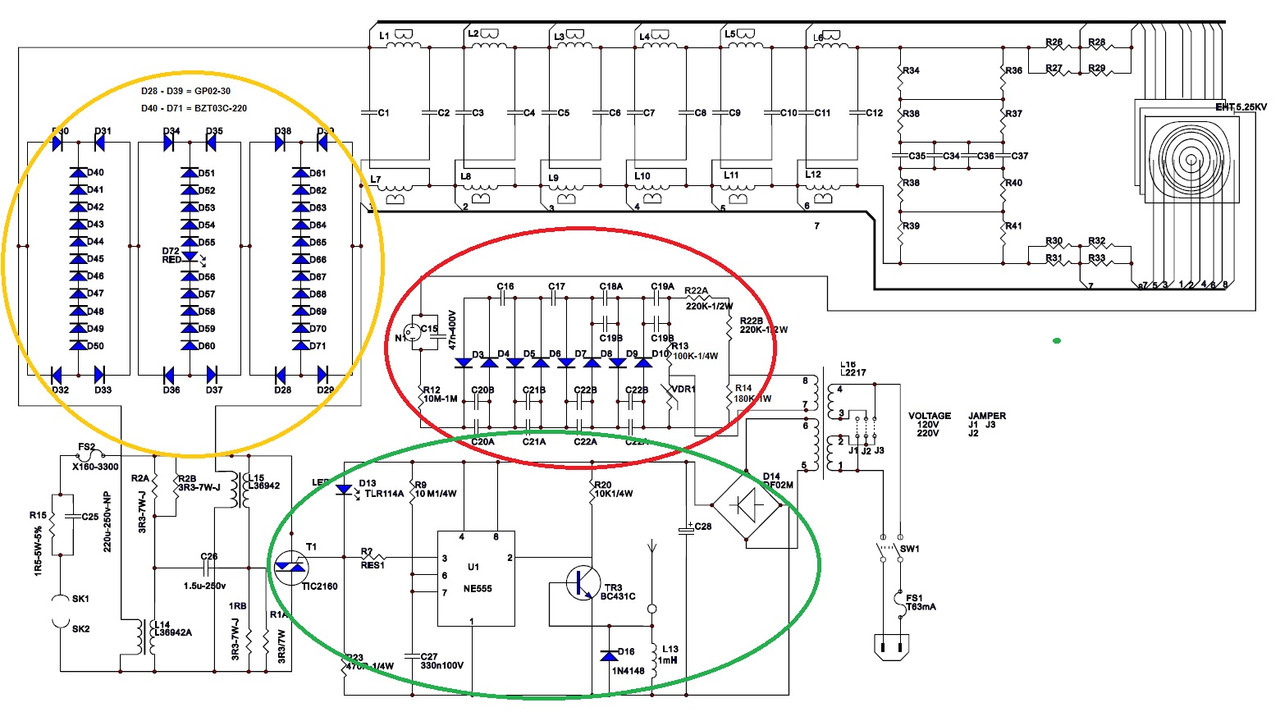
Рис 9 схема

<a href='https://postimg.cc/tZnVLh5f' target='_blank'><img src='https://i.postimg.cc/hjpbQs7S/09-ESL2905.jpg' border='0' alt='09-ESL2905'/></a>
Это схема от другой АС, но дела это не меняет. В АС есть много лишнего, что существенно портит звук. Сделано это конечно не от того, что там идиоты работают, часть от требований безопасности, часть от нежелания иметь дело с идиотами покупателями, при некоторых маленьких дефектах имеющих возможность возникнуть.
Далее по схеме.
А) Жёлтым кружком обведён стабилизатор поляризующего напряжения. Появился уже в АС серии 28, 29. Овно полное, кроме шипения на малых ВЧ сигналах ничего хорошего не даёт. "Резать к чёртовой матери не дожидаясь перитонита". В :№ и более ранней модели этого не было и всё было нормально.
Б) Красным цветом выделен узел преобразователя (умножителя) напряжения. Модернизировать там ничего не стоит, иногда там стоит "Жужщая" неонка, просто поменять.
В) Зелёным цветом выделен узел ответственный за замыкание первичных обмоток трансформатора при очень большом потенциале на антенке, присобаченной к базе транзистора.. Резать к чёртовой матери.
Г) Резисторы R1, R2 и R12 очень высокого, практически помойного качества из нихромовой проволоки. Они нужны для выравнивания импеданса АС. Кому это надо не знаю, но лучше заменить на несколько угольных общей мощностью не менее 20Вт.
Д) Конденсатор С25 лучще бы заменить на хороший китайский неполярный, то что стоит в АС это просто дрянь.
Е) Практически "вишенка на торте". Предохранитель FS2. в цепи сигнала. Полупроводниковый. Удобство в том, что при нагреве он отключит АС от усилителя. Остынет, включит. И не надо потребителя вовнутрь пускать. А что на звуке это слышно, да кого это волнует. Я менял на обычный проволочный, понятно, что с золотыми контактами (требование заказчика). Хотя я бы просто замкнул.
Ё) Емо-ё. Без ещё одного кусочка схемы этого не понять.

Красным обведён узел защиты усилителя. Питание для этого каскада берётся с выходного сигнала самого усилителя. Кошерно, по самоё НеХочу. Это видимо благоприятно сказывается на звуке (шутка). Резать.
На самом деле, я не призываю резать конкретно. Можно остыв, с трезвой головой просто отпаять ненужные проводки.
Ну, а паять вам или не паять уже ваше дело.
Будут вопросы или предложения, пишите.

С уважением
К. А. Арзуманов
arka57(зобака)mail.ru
+79523978520
Спасибо: 2 
ПрофильЦитата Ответить





Пост N: 114
Зарегистрирован: 15.11.16
Откуда: Саблино
Рейтинг: 2
ссылка на сообщение  Отправлено: 05.02.23 19:51. Заголовок: Как это должно выглядеть.


А вот так начинка АС должна выглядеть. Ничего лишнего. ХайЭндский минимализм.
И это правильно, товарищи (обязательно голосом Горбачёва).
https://blogger.googleusercontent.com/img/a/AVvXsEiX6qFne9P6-DoXi1WuuC1JnPpYLw2y9MVjfVM9ZTtjeuYqBcHf6ZUCqFUzdgkDMgHrb15IjT24kOey4Dbl5fsGhrK_TOPQlFm2P1-WzZzgnEVRPJeNcnRECpdHTOz7Y5ELrX7V-CXLj_DMVY2NXxbkYgDCUgyPgiqFEDglskhQG6YUDAUW1cd5S9SQOA=s4032
смотрите 2 поста выше про Джазмена.
Но как только вы захотите продавать такие АС не непосредственному заказчику, а через торговую сеть, то звуку вашему пришёл большой Кирдык.
Для тех, кто не разделяет европейские (хотел написать европенистые, но сдержался) ценности. Разговаривал с одним немецким производителем. Матерился он по страшному, но терпит и выполняет правила. Чиновникам на звук наплевать, главное, чтобы чего не случилось.

С уважением
К. А. Арзуманов
arka57(зобака)mail.ru
+79523978520
Спасибо: 1 
ПрофильЦитата Ответить



Пост N: 1033
Зарегистрирован: 21.02.19
Откуда: Vancouver
Рейтинг: 2
ссылка на сообщение  Отправлено: 06.02.23 02:32. Заголовок: Карен, очень захваты..


Карен, очень захватывающий рассказ.. Очень понятно что была некая плёнка, и что для этого надо также знать схЭму. Однако, хотелось бы уточнить: что именно за плёнка? как-то неконкретно, почему она там была и почему её надо было э-э.. отодрать? так это была "транспортировочная" плёнка? как часто бывает в аппаратуре

Как вы думаете, нужно ли мне, по аналогии, "снять гриль у моих колонок и отдереть скажем, диффузор у среднечасточника"? или только половину? таким ведь образом мы какГбе создадим некоторый провал на СЧ, что субъективно является преференцией человеческого уха при птослушивании на малых громкостЯх.. всю ночь не мог заснуть.. думал

Спасибо: 0 
ПрофильЦитата Ответить





Пост N: 115
Зарегистрирован: 15.11.16
Откуда: Саблино
Рейтинг: 2
ссылка на сообщение  Отправлено: 07.02.23 17:52. Заголовок: Про плёнку. Лично. Секретно.По прочтении сжечь.


Это не транспортировочная, а защитная плёнка. Предназначена для защиты поверхностей статоров и подвижного электрода от воды, пыли, людей, котов, звука.
Появилась примерно году в 85. По ужесточившимся в Европе (собственно только начавшимся ужесточениям) по требованиям безопасности. Звук от этого пострадал сильно, а безопасность не выиграла. Правда по защите от пыли выигрыш есть, но это уже в очень свинячей квартире.
Представьте себе АС на динамических головках. Мысленно по представьте себе не рамку с звукопрозрачной тканью, а с пищевой полиэтиленовой плёнкой, натянутой как попало и являющейся теперь излучающим элементом. Слышите уже: "хлоп-хлоп"?
Я не знаю Ваших АС, но не советовал бы ничего "отдирать". Разве что кого-нибудь. Добро, что в развитых демократических странах можно хоть Y-бобика с Альфа центавры (щютка).
Про изменение в АЧХ АС "под ухо" не согласен. Он (регулятор) уже в ухе есть, о нём природа позаботилась.

Отступление про безопасность.
Начавшиеся в середине 80-х в Европе ужас по "борьбой с безопасностью привёл к тому, что в каждой стране были свои требования к электробезопасности. Мы (Группа под командованием В.А.Стародубцева в ЛЭТ, занимался процессом сертификации Г.А. Куролесов)в в 1989 г пытались сертифицировать ламповый усилитель для продажи в Европе (сертификационный центр Университета Шеннон). Замечаний в заключении было 2:
-замените говённый русский переменный резистор (он и в правду был отвратительным). Это про добровольный сертификат качества.
-приведите в соответствие с требованиями электробезопасности сетевой включатель. Это про обязательный сертификат безопасности.
И тут мы поняли, что пролезть в эти ворота никак не можно. Только в каждой стране отдельно, потому как требования были иногда взаимоисключающими.
Самый яркий пример, это в Австрии должно быть в переключателе всё только из пластмассы, т.к. будь он металлическим, при его выходе из строя никого током не стукнет. В Великобритании сетевой включатель должен быть только металлическим, т.к. пластмасса это дрянь, может в руках развалиться и проводок с лепездричествой может по пальцам токануть. Всего было 8 или 9 разных, частью взаимоисключающих друг друга требований.

С уважением
К. А. Арзуманов
arka57(зобака)mail.ru
+79523978520
Спасибо: 0 
ПрофильЦитата Ответить



Пост N: 1034
Зарегистрирован: 21.02.19
Откуда: Vancouver
Рейтинг: 2
ссылка на сообщение  Отправлено: 07.02.23 18:43. Заголовок: Карен, спс от нас вс..


Карен, спс от нас всех за несомненно мощную работу по сертификации в ЛЭТ (как бы мы без этого жили), но вот про кого нам в демократических странах отдирать мы сами, без бобиков, разберёмся.
Колонки у меня - несколько, в том числе и Магнепаны, как следует из моего первого поста в этой же теме. Вопрос по отдиранию от них плёнки был тоже щютка: вы так рассказываете как будто каждый из нас знает о наличии некоей в Кводах плёнки так же с деЦтва как сюжет Ну Погоди ))

Не знаю насчёт металличности английских выключателей, жил в Лондоне у друзей-земляков, не помню ничего такого металлического.. Вы про проводку ихнЮю поизучайте, вас ждут удивительные открытия.. это ж надо было такое придумать.. после проводки какой-то там выключатель - это совершеннейший пустяк

Спасибо: 0 
ПрофильЦитата Ответить





Пост N: 116
Зарегистрирован: 15.11.16
Откуда: Саблино
Рейтинг: 2
ссылка на сообщение  Отправлено: 08.02.23 00:51. Заголовок: Про стандартизацию и безопасность.


Речь была не про то, что мы делали, а про то, что как только чиновники возьмутся за дело, в целях конечно улучшения условий жизни народа, тем больше возникает проблем у того же народа. Понятно, что кроме "заботы о народе" конечная цель вполне ясна - надо получить не один, а 8 сертификатов безопасности. А это в 8 раз больше денег. А деньги любят все.
Про проводку Аглицкую ничего не знаю, у немцев сталкивался. Чинить самому нельзя даже розетку, только сертифицированному электрику, тогда (в 10-е) годы это стоило примерно 150Е, если я не путаю. Это в съёмной квартире. В своём доме хоть кто, но при наступлении страхового случая, можно без подписи сертиэлектрика остаться без страховки.
У всех свои тараканы. В Велкобритании достаточно быстро требование про железный в/вы-ключатель быстро исчезло, но это нас уже не волновало.

С уважением
К. А. Арзуманов
arka57(зобака)mail.ru
+79523978520
Спасибо: 0 
ПрофильЦитата Ответить



Пост N: 3
Зарегистрирован: 22.11.17
Рейтинг: 0
ссылка на сообщение  Отправлено: 06.11.25 20:16. Заголовок: https://q-e-d.spb.ru..

Спасибо: 0 
ПрофильЦитата Ответить
Ответ:
1 2 3 4 5 6 7 8 9
большой шрифт малый шрифт надстрочный подстрочный заголовок большой заголовок видео с youtube.com картинка из интернета картинка с компьютера ссылка файл с компьютера русская клавиатура транслитератор  цитата  кавычки моноширинный шрифт моноширинный шрифт горизонтальная линия отступ точка LI бегущая строка оффтопик свернутый текст

показывать это сообщение только модераторам
не делать ссылки активными
Имя, пароль:      зарегистрироваться    
Тему читают:
- участник сейчас на форуме
- участник вне форума
Все даты в формате GMT  8 час. Хитов сегодня: 136
Права: смайлы да, картинки да, шрифты да, голосования нет
аватары да, автозамена ссылок вкл, премодерация откл, правка нет