On-line: гостей 3. Всего: 3 [подробнее..]
АвторСообщение
Flaw911
постоянный участник


Пост N: 32
Зарегистрирован: 15.01.09
Рейтинг: 0
ссылка на сообщение  Отправлено: 12.03.09 17:22. Заголовок: КОНДЕНСАТОРЫ (продолжение 1)


Какого типа лучше использовать конденсаторы?
Спасибо!

Спасибо: 0 
Профиль
Ответов - 300 , стр: 1 2 3 4 5 6 7 8 9 10 11 12 13 14 15 All [только новые]


aleks8845



Пост N: 214
Зарегистрирован: 07.03.16
Рейтинг: 0
ссылка на сообщение  Отправлено: 02.03.19 02:28. Заголовок: U.L.F. пишет: Да, и..


U.L.F. пишет:
 цитата:
Да, интересно что купили

За ссылки большое спасибо, может в будущем попросил бы в ЛС еще что нибудь из нормальных продавцов...., тока со временем бывает, что того товара что брал, уже нет, и приходиться искать заново...,
брал я в этот раз off top, не конденсаторы как в топике, а транзисторы и МС ки, тр-ры полный хлам, по ДШ и рядом не стояли по параметрам, разбил корпус, а там вместо кристалла 5х5 мм какая то капля меньше миллиметра, да и подложка тонкая и железо, а МС ки вообще не работают....
Повелся на отзывы что присылают иногда б/у рабочие, но оригинал...., иногда это лучше чем вообще левак....
PS: Жаль, что тока щас эта тема зашла, брал как раз 2SC5200.....
PPS: Кое что из Вашего списка тоже брал

Спасибо: 0 
Профиль
Shef



Пост N: 11
Зарегистрирован: 21.02.19
Рейтинг: 0
ссылка на сообщение  Отправлено: 04.03.19 13:10. Заголовок: U.L.F. пишет: Офиге..


U.L.F. пишет:
 цитата:
Офигенные панельки. Недёшево, но

GD-parts - на мой опыт это САМЫЙ конкретный продавец конкретно качественно конкретных панелек не ыБее, и беру практически в основном у него.
Однако, это цанговые с клеммами на гайке, а есть ещё товарисч icelake-audio, у него качество покруче при ненамного выше ценах, вот они похожие но с подпружиненными контактами внутри, на манер наших советских суперских военных разъёмов, это уже круче некуда:
https://www.ebay.com/itm/1-pc-4-pin-steel-Ceramic-Machine-made-gold-plated-tube-socket-300B-2A3-101-/273674302159

Недорогой полипропилен выглядит точно как у нас в местном магазинчике, пробовал, неплохие.

Я тут пробую полистироловые межкаскадные кондёры, хотя ёмкостей больше 0.1uF трудно отыскать. По ощущению звук очень нейтрален, даже чересчур )) но вроде норм, может разыграются. Всё же обычные полипропиленовые немного окрашивают звук, хотя должен сказать что в лучшую стотону.

Транзисторы однозначно выглядят как новодел, не будем говорить слово "фейк", фейк иногда бывает лучше оригинала.

Спасибо: 0 
Профиль
Stan Marsh





Пост N: 1416
Зарегистрирован: 20.08.13
Откуда: Россия, Москва
Рейтинг: 2
ссылка на сообщение  Отправлено: 04.03.19 15:19. Заголовок: Shef пишет: GD-part..

Спасибо: 0 
Профиль
Shef



Пост N: 57
Зарегистрирован: 21.02.19
Рейтинг: 1
ссылка на сообщение  Отправлено: 07.04.19 08:03. Заголовок: ltc пишет: U.L.F. ..


>> Вот вот и я про тоже только для меня эта разница критична и мерзкий звук электролитов как то в питании приходится терпеть но не в катоде

+100500 соббсна я к типа тому же и пришёл, электролиты как-то "не заходят' по звуку, хотя иногда ОК, но зависит, старый добрый Ничикон/Рубикон звучит норм если !не новодел!
Я потому и упомянул плёнку, на переделку: пусковые плёночные по 130uF уже дожидаются в тумбочке в анодное после дросселя, а в межкатодные тумбочка приготовила по 2 х 68uF китайские так называемый kondensOtor, хотя эти ребята из-за массовости производства довели качество до ОК, по всем отзывам.

Короче, плёночники наступают широком фронтом. .. В интересное время живём, ещё десятилетие назад это было бы тыщщи баксов, а счас за сотню то и за сотню другое.

Но, справедливости ради, разница в звуке довольно-таки маргинальна, скажем так: если ты слушал что-то десятками лет (напр как я PF Animals, Division Bell, TDSOTM etc), то ты знаешь там каждый чих, и разница определяетя лехко. На "ново-прослушанном" материале ты не можешь определить правильно оно или нет, так что. .. тут уже ориентация на общую комфортность звучания, и тут могут возникнуть неожиданные сюрпризы, в виде "таки-правильно-звучащих-в-катодах" электолитов и проТчего. .. всё так неоднозначно.

Вывод про "правильность" плёнки в общем смысле, и был сделан после сравнений на основе старых записей.
Хотя, пожалуй, 100-летнему старичку мои критерии покажутся полной хернёй с его точки слушания пластинок на патефоне. .. ему рупор только давай! .. а мне бя-я.

Кстати, у нас тут старпёры массово распродают старые аудиосистемы, тут !такое! щас можно купить за бесценок ну или за вменяемые бапки. .. глаза разбегаются, вот например фирменные JBL Horns сделанные на заказ:
https://vancouver.craigslist.org/nvn/ele/d/north-vancouver-custom-jbl-horn-loaded/6822177604.html


Спасибо: 0 
Профиль
U.L.F.
постоянный участник




Пост N: 3768
Зарегистрирован: 19.02.06
Откуда: Россия
Рейтинг: 10
ссылка на сообщение  Отправлено: 07.04.19 16:14. Заголовок: Красивые, слов нет. ..


Красивые, слов нет. Но себе бы такие не хотел.

Спасибо: 0 
Профиль
Raven



Пост N: 220
Зарегистрирован: 07.04.19
Рейтинг: -2
ссылка на сообщение  Отправлено: 24.04.19 12:31. Заголовок: Shef пишет: >&#..


Shef пишет:
 цитата:
>> Вот вот и я про тоже только для меня эта разница критична и мерзкий звук электролитов как то в питании приходится терпеть но не в катоде

+100500 соббсна я к типа тому же и пришёл, электролиты как-то "не заходят' по звуку, хотя иногда ОК, но зависит, старый добрый Ничикон/Рубикон звучит норм если !не новодел!
Я потому и упомянул плёнку, на переделку: пусковые плёночные по 130uF уже дожидаются в тумбочке в анодное после дросселя, а в межкатодные тумбочка приготовила по 2 х 68uF китайские так называемый kondensOtor, хотя эти ребята из-за массовости производства довели качество до ОК, по всем отзывам.

Короче, плёночники наступают широком фронтом. .. В интересное время живём, ещё десятилетие назад это было бы тыщщи баксов, а счас за сотню то и за сотню другое.

Но, справедливости ради, разница в звуке довольно-таки маргинальна, скажем так: если ты слушал что-то десятками лет (напр как я PF Animals, Division Bell, TDSOTM etc), то ты знаешь там каждый чих, и разница определяетя лехко. На "ново-прослушанном" материале ты не можешь определить правильно оно или нет, так что. .. тут уже ориентация на общую комфортность звучания, и тут могут возникнуть неожиданные сюрпризы, в виде "таки-правильно-звучащих-в-катодах" электолитов и проТчего. .. всё так неоднозначно.

Ну не знаю я даже из чистого серебра не слушал бы в катоде конденсатор по нескольким причинам и эти причины не зависят от качества конденсатора,первое что там есть резистор а это автосмещение: компрессия, уменьшение кпд,ухудшение атаки звука и тд. и тп. и тд. и тп...., потом конденсатор не пропускает постоянный ток следствие сдвиг фаз на низких частотах и еще ухудшение звука, и что бы там не говорили сторонники автомата эти негативные эффекты имеют место быть, и их легко избежать просто посадить катод на землю просто кусочек проволоки и все дела, мне проще с фиксой потому что я не использую RC связь между каскадами ,

Воды ласковой Леты смывают с души испытанное,как следы на песчаном плёсе. Спасибо: 0 
Профиль
geran2006
постоянный участник




Пост N: 2768
Info: аудиофильщик-радист
Зарегистрирован: 06.02.06
Откуда: RUSSIA, Moskow
Рейтинг: 2
ссылка на сообщение  Отправлено: 16.08.19 15:05. Заголовок: В последнее время вс..


В последнее время всё более ощущаю потерю связи с прежним радиорынком и создаю новые связи с рынком Китая.
Транзисторы, резисторы, конденсаторы и куча прочей комплектухи уже покупается на AliExpress а получать покупки хожу на почту в шаговой достуности. Ждать иногда долго, но не всегда, только 20% заказов, остальные быстро едут. Цены хорошие, качество... ка и везде бывает разное, но в основном норм.
Недавно покупал банки-картриджи с тонером для цветного принтера и обманули, подсунули банки странные, одна бракованная, не закрывается вентиль подачи порошка.
На 3-х из 4-х чипы определяются как не рабочие. Заказал 4 новых чипа, поглядим что будет. Иногда посылки пропадают, тогда открываем спор и мотивируем возврат денег в связи с утратой информации об отслежтивании. Китайцы щепетильно работают и явные косяки устраняют. 1 посылку мою потеряли, деньги вернули. Еще одна ехала месяца 4. Я думал потеряли, 3 раза открывал спор и 3 раза продавец продлевал срок защиты покупателя. Мне было интересно чем это все закончится. В итоге привезли!!! Доставили не понятным мне способом, кинули в почтовый ящик, посылка малого размера. Не знаю как это у них работает, но это не единственный случай и ранее кидали в почтовый ящик!
По форме я должен получить уведомление с почты и получить лично. Один раз привез курьер. Мелкие дешевые посылки могут доставлять странными способами. Также было пару раз консолидация нескольких треков в один новый, который я не отслеживал.
Позавчера получил заказанную термотрансферную бумагу для ЛУТ, интересно попробовать. Пакет из пупырчатого полиэтилена с желтой бумагой снаружи, довольно большой пакет и не тонкий. Запихнули в почтовый ящик!
Заказал печатные платы на PCBWAY, приехали за неделю. Сроки и них разные а вот в августе застойчик какой-то образовался, штук 10 заказов плохо едут, замерзли.
Вторую партию плат буду заказывать скоро на JLCPCB. Какая-то странная фабрика, крупная, мне не удалось пройти регистрацию пользователя, как будто специально пароль не принимают. Но есть вход с гугл-аккаунта, вошел. пароля нет, пользователя нет, я же не регистрировался. Смотрю купон есть на 5$. Ну это у них обычно так, новому пользователю дают купон на 5$ а платы делают за 2. Куплю дорого продам дешево. Впрочем я там еще не делал так что будем поглядеть. Потом забил адрес доставки и с адресом фигня, не принимали адрес. Потом вдруг приняли. Странно. Смотрю а купонов уже два! Срок действия до октября.
А мой знакомый решил заказать платы в Резоните в РФ, ну и там тоже какая-то шняга с регистрацией, как будто отсекают.

Практически начал деталями затариваться на али. Уже не могу вспомнить зачем мне могло бы понадобиться ехать на радиорынок.

Спасибо: 0 
Профиль
Stan Marsh





Пост N: 1754
Зарегистрирован: 20.08.13
Откуда: Россия, Москва
Рейтинг: 2
ссылка на сообщение  Отправлено: 16.08.19 15:07. Заголовок: Поздравляю...


Поздравляю.

Спасибо: 0 
Профиль
geran2006
постоянный участник




Пост N: 2989
Info: рациональщик
Зарегистрирован: 06.02.06
Откуда: RUSSIA, Moskow
Рейтинг: 1
ссылка на сообщение  Отправлено: 26.10.19 18:18. Заголовок: У одного аудиофила н..


У одного аудиофила наблюдал обструкцию. Что лучше Black Gate полярный электролит за 1500Р штука или WIMA MKS (!) за 120р шт. ?
Оказывается WIMA лучше. Не сработала ни цена в 12 раз выше ни брендовость. Самое интересное что я с ним не согласен, BG будет лучше а еще лучше неполярный BG.
Это я к тому что АУДИОФИЛЫ СТРОЯТ СВОИ МНЕНИЯ ОГРОМНОГО ВЕСА ПОРОЙ В ДЕНЬГАХ АБСОЛЮТНО БЕСПОЧВЕННО и бессмысленно. И всегда можно найти ситуацию когда они отбросят BG и припаяют сраный лавсан MKS. а bg у него в наличие

Stan Marsh пишет:
 цитата:
Поздравляю.

На самом деле я не очень рад тому что рынок стал заменяться китайской продажей.
Присылают с Китая пакетик транзисторов 100шт за 60руб и что думать, это качественный товар? Я не могу. Я считаю такие транзисторы текучкой для мелких нужд. Но на базаре скорее всего вам продадут то же самое по 7руб/шт. в 10 раз дороже.
Ранее я ездил на рынок как на праздник, с баблом и пивом там еще заряжались, оно помогает деньги тратить. Было весело всегда! И очень часто покупали новые для себя вещи, лучшие и чувствовался апгрейд. А теперь хрен его знает что. На почту ходить тоже в некотором смысле приятно, но стали много пакетиков доставки кидать просто в почтовый ящик.
Процедура упрощена до ноль. Но до почты дойти 300м туда и обратно это полезно а до почтового ящика 10м мало.
Сравнение, приезжаю в ЧиД например, он-то круче рынка? А вот и нет, против рынка ЧиД не тянет, скучно, чая нет, сортира нет, ассортимент фуфло и цены высокие.

Спасибо: 0 
Профиль
Nic_vas



Пост N: 382
Зарегистрирован: 31.05.19
Откуда: Россия
Рейтинг: -2
ссылка на сообщение  Отправлено: 26.10.19 21:38. Заголовок: Лавсан - электрет, к..


Лавсан - электрет, кроме того, пленочные емкости сильно "охлаждает" тембр. Из китайских рекомендуют красные (к сожалению, марку не помню), якобы, специально для аудиофильских нужд. Сам являюсь поклонником МБГО.

geran2006 пишет:
 цитата:
На самом деле я не очень рад тому что рынок стал заменяться китайской продажей.
Присылают с Китая пакетик транзисторов 100шт за 60руб и что думать, это качественный товар? Я не могу. Я считаю такие транзисторы текучкой для мелких нужд. Но на базаре скорее всего вам продадут то же самое по 7руб/шт. в 10 раз дороже.

Увы, это так. Сам столкнулся и не раз. Яркий пример: понадобился срочно конденсатор, 470 на 25 (для монитора), сходил в райцентр, там у нас один чудила-?удила бытовую технику чинит. Стал просить продать мне конденсатор - не продал, зато осыпал вопросами, зачем, почему, какая рабочая температура. В общем, гнилой человечек. Поехал в город, отыскал радиомагазин. "Дайте мне, говорю, такой-то и такой-то кондёры!" "Вот, пожалуйста. с Вас 80р...".
За 1-ЗА ОДИН!!!-кондёр просят 80 р... Как тут не стать сердечником?.. Зато потом я с китая на 100р. заказал целую пригорошню емкостей, вдобавок ещё и ассорти.

Спасибо: 0 
Профиль
geran2006
постоянный участник




Пост N: 2992
Info: рациональщик
Зарегистрирован: 06.02.06
Откуда: RUSSIA, Moskow
Рейтинг: 1
ссылка на сообщение  Отправлено: 27.10.19 00:38. Заголовок: Nic_vas пишет: За 1..


Nic_vas пишет:
 цитата:
За 1-ЗА ОДИН!!!-кондёр просят 80 р... Как тут не стать сердечником?..

Да ладно... не смертельно. Этож магазин, вы спросили вам дали. Тады купите набор на Али, но там меньше 500 наверное и нет.
К мастеру надо не так, чтобы они не гнили, берет бутылочку пивасика и к нему, всё сразу найдется со скидкой.

U.L.F. пишет:
 цитата:
Выводы магнится у 99 % всех современных электролитов с короткими негибкими выводами под печатный монтаж и примерно у 85-90% с гибкими выводами

Короткие не гибкие-это по 7мм которые зубы? Они стальные что ли?
Ничиконы аудио серий- выводы не магнитятся. FG KZ BP на мои происки, в лупу видно что срез вывода внутри медь, снаружи луженка. Это меня расстроило, главное это то что снаружи а не внутри. Но ничиконы не самые породистые, вот приедут керафайны проверю как у них.
Самое противное что я понимаю как будут гадить эти магнитные выводы да еще плюс пайки, но сделать ничего нельзя. А порой и не хочется ничего делать.

Спасибо: 0 
Профиль
Nic_vas



Пост N: 388
Зарегистрирован: 31.05.19
Откуда: Россия
Рейтинг: -2
ссылка на сообщение  Отправлено: 27.10.19 01:09. Заголовок: geran2006 пишет: К ..


geran2006 пишет:
 цитата:
К мастеру надо не так, чтобы они не гнили, берет бутылочку пивасика и к нему, всё сразу найдется со скидкой.

У нас в Осетии иные правила. Человек, не протянувший руку помощи, автоматически приобретает статус гндона.

Спасибо: 0 
Профиль
geran2006
постоянный участник




Пост N: 3009
Info: рациональщик
Зарегистрирован: 06.02.06
Откуда: RUSSIA, Moskow
Рейтинг: 1
ссылка на сообщение  Отправлено: 30.10.19 13:50. Заголовок: Никак не могу найти ..


Никак не могу найти точных данных по конструкции не полярных электролитических кондеров.
Пишут какую-то туйню. Требуется научная прокачка вопроса.
Ставить ли не полярные ECAP в цепи с поляризующим напряжением?
Этот же вопрос может обратиться к полярным после прокачки с не полярными.
Накапливается статистика применения не полярных ECAP в цепях питания и в цепях разделительных и везде они оказываются хороши. По подтвержденным
отзывам. Моя симуляция работы такого кондера, который как бы образован двумя встречно-последовательно соединенными полярными ECAP выдает результат что
кондер такой не изменяет фазу тока в выходных обкладках, а полярный изменяет. Чем это грозит? Неизбежно чем-то точно грозит.
Меня интересует применение в питании схем. Есть элементы-источники ЭДС они полярны а есть проводники. Конденсатор должен образовывать элемент памяти, но чаще выходит что он элемент фазовращающий. Это из-за физики работы. Но неполярный должен иметь отличающуюся физику работы и разумеется конструкцию. То что пишут в нете не адекватно." Что будет если у полярного кондера изменить полярность включения? У него закипит электролит и он бахнет. А у неполярного электролит не закипает?
В конструкции всего-то больше повехностей оксидируют.
Вряд ли внутри не полярного находятся физических два полярных, но пишут что именно так, тогда интересна конструкция. Ведь можно создать не полярный включив два полярных последовательно.
Считается что конденсатор искажает сигнал, но два конденсатора включенных последовательно искажают еще сильнее. Так? НЕТ.
Почему? Хрен его знает, опыты и статистика показывает что просто замена полярных на неполярные (разделительные) в усилителях сигнала приводит к прочищению звучания.
Но фокус в том что и в применении по питанию есть уже статистика улучшения звука при использовании не полярных ECAP.
Ага, значит берем пленочный ставим и в ажуре? А вот и нет. Пленочный не полярный и ECAP не полярный-это разные вещи! Суть отличий в двойной последовательной внутренней структуре не полярного ECAP. Биполярного.

Вот часто встречается в усилителях полярный кондер включен в делитель ООС усилителя и разница напряжения на нем ноль, емкость кондера бывает значительная до 470мкф а напряжение часто низкое 6,3 или 10в. Это место потенциально аварийное. Я немедленно выбрасываю такой кондер не проверяя и бессмысленно его проверять и заменяю на не полярный ECAP. В ряде тяжелых случаев помогло.

Но если в делителе ООС применение BP помогает то оно должно помогать и в применении на входе усилителя. И помогает как не странно.
Этих двух случаев для меня достаточно чтобы вопрос этот ставить на углубленное изучение. Есть в усилителях кондеры вольтодобавки, они под поляризующим напряжением работают но применяя BP ECAP тоже результат отличный. Лучше полярных работают.

Спасибо: 0 
Профиль
XMR



Не зарегистрирован
Зарегистрирован: 01.01.70
ссылка на сообщение  Отправлено: 31.10.19 19:25. Заголовок: странно у меня в уси..


странно у меня в усилителе нет ни одного кондера кроме питания звуку от этого хорошо, есть объём воздух и живость и динамика. когда были конденсаторы то была свинина грязь хрипота и шкворчание звука как будто гавно шипело на сковородке фу. ни одного конденсатора от выхода цапа до динамика. иначе свинина и шкворчание говна а не звук.

Спасибо: 0 
Vladimir





Пост N: 1506
Зарегистрирован: 29.03.10
Рейтинг: 2
ссылка на сообщение  Отправлено: 31.10.19 19:51. Заголовок: XMR пишет: свинина ..


XMR пишет:
 цитата:
свинина и шкворчание дерьма а не звук.

Что поставил в сигнальные цепи, то и получил.

Спасибо: 0 
Профиль
XMR



Не зарегистрирован
Зарегистрирован: 01.01.70
ссылка на сообщение  Отправлено: 31.10.19 20:20. Заголовок: Vladimir не спорю с ..


Vladimir, не спорю, с хорошими конденсаторами звук будет иной , но мне не нравится возня с ними они все окрашивают звук и портят НЧ диаппазон, я стараюсь их просто убирать и делать непосредственную связь, а где совсем без них нельзя то лучше самому сделать, например в коррекцию, там делов то кусочек слюды взять и два квадратика фольги и все дела, но это когда соберусь корректор делать , но платить за них тысячи нееет.
Они же вообще обнаглели эти производители, вот скажите мне почему медный дженсен или какие там еще медные есть почему они стоят как усилитель, там меди в нем на 10р или что его сложнее скрутить чем алюминиевый да проще я уверен, голимый развод лохов.

Спасибо: 0 
geran2006
постоянный участник




Пост N: 3026
Info: рациональщик
Зарегистрирован: 06.02.06
Откуда: RUSSIA, Moskow
Рейтинг: 1
ссылка на сообщение  Отправлено: 01.11.19 02:03. Заголовок: XMR пишет: но мне н..


XMR пишет:
 цитата:
но мне не нравится возня с ними они все окрашивают звук и портят НЧ диаппазон,

Блин, но в схемах они порой стоят и убрать нельзя во избежание более худых проблем.
 цитата:
у меня в усилителе нет ни одного кондера

А в обратной связи?

Спасибо: 0 
Профиль
Vladimir





Пост N: 1508
Зарегистрирован: 29.03.10
Рейтинг: 2
ссылка на сообщение  Отправлено: 01.11.19 02:56. Заголовок: geran2006 Да нет у ..


geran2006
Да нет у него ни кондеров, ни обратной связи, только слова и проджекты.
А убиранием кондеров можно натворить такое, что мало не покажется. Вплоть до выжигания динамиков в колонках. Это только форумные "пионэры" убирают всё подряд и кичаться этим. Или просто трындят, ни разу даже не открыв крышку ни одного аппарата. Многие и паяльник видели только на картинках или в руках их предков.

Спасибо: 0 
Профиль
geran2006
постоянный участник




Пост N: 3027
Info: рациональщик
Зарегистрирован: 06.02.06
Откуда: RUSSIA, Moskow
Рейтинг: 1
ссылка на сообщение  Отправлено: 01.11.19 03:19. Заголовок: Vladimir пишет: А у..


Vladimir пишет:
 цитата:
А убиранием кондеров можно натворить такое, что мало не покажется. Вплоть до выжигания динамиков в колонках. Это только форумные "пионэры" убирают всё подряд и кичаться этим. Или просто трындят, ни разу даже не открыв крышку ни одного аппарата.

Да, есть такое дело. У моего знакомого два моноблока хороших кенвуд, туда напротив установили на вход кондеры иначе можо нафик все пожечь.
У них в обратной связи нет кондера то есть не 100% ООС по постоянке и усь усиливает постоянку. Уже до меня, до моего ремонта выжигали аппарат несколько раз, ремонтировали и снова выжигали и пока не продали. А все потому что не дотумкали. Иногда кажется народ не понимает чего делают
 цитата:
Многие и паяльник видели только на картинках или в руках их предков.

О да!



Спасибо: 0 
Профиль
XMR



Не зарегистрирован
Зарегистрирован: 01.01.70
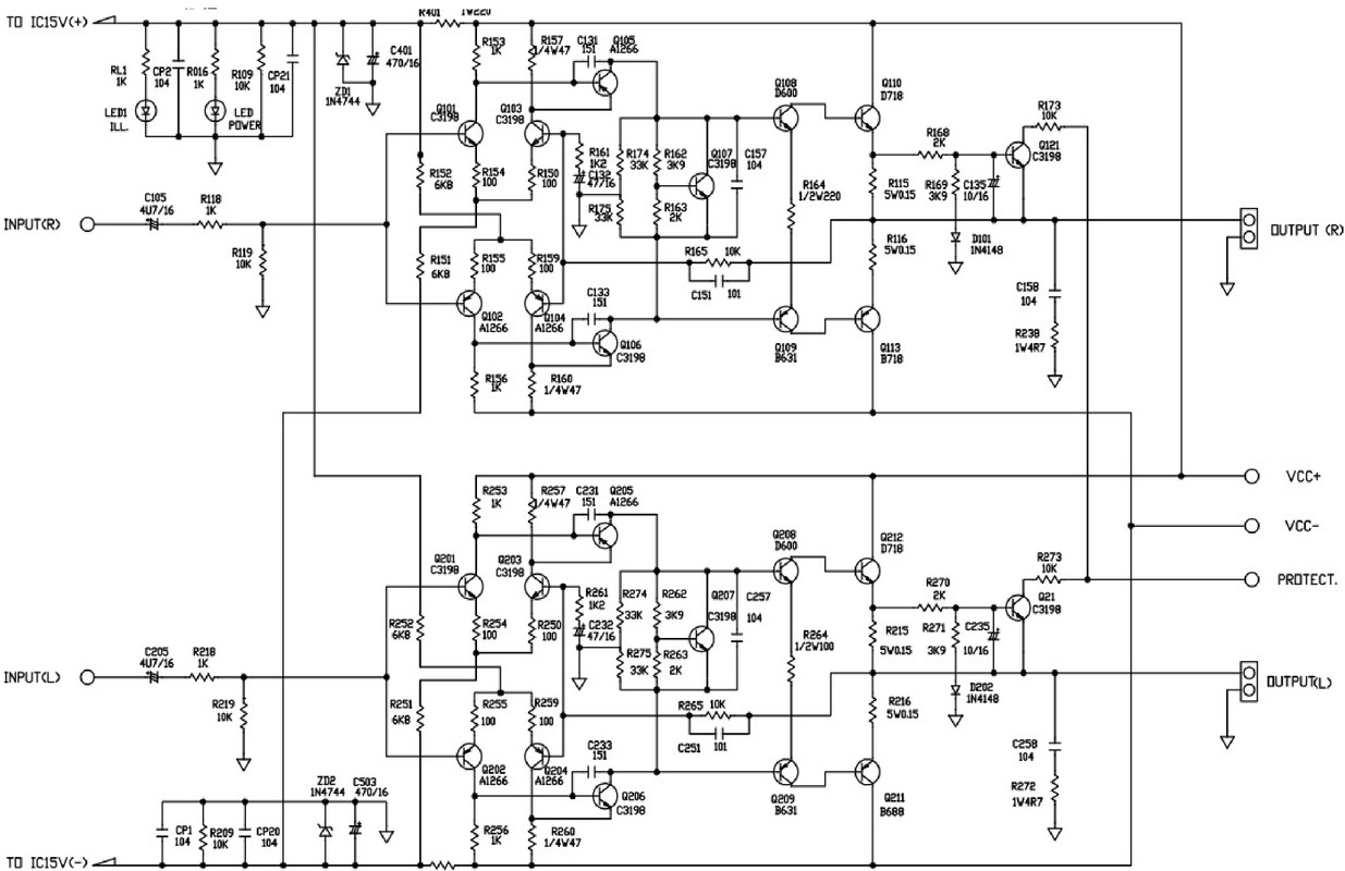
ссылка на сообщение  Отправлено: 01.11.19 03:22. Заголовок: Геран посмотрите c15..


Геран посмотрите c151, с251 это он в обратной связи?



Спасибо: 0 
Ответов - 300 , стр: 1 2 3 4 5 6 7 8 9 10 11 12 13 14 15 All [только новые]
Тему читают:
- участник сейчас на форуме
- участник вне форума
Все даты в формате GMT  8 час. Хитов сегодня: 106
Права: смайлы да, картинки да, шрифты да, голосования нет
аватары да, автозамена ссылок вкл, премодерация откл, правка нет