| Автор | Сообщение |
|
Reactor
|
| |
Пост N: 89
Зарегистрирован: 01.12.20
Рейтинг:
-2
|
|
Отправлено: 23.12.20 00:27. Заголовок: Усилитель REACTOR пре альфа версия.
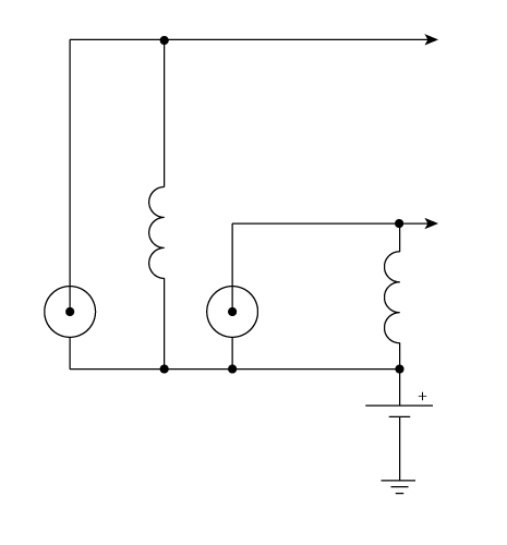
Вот, выкладываю работающий дроссельный усилитель по простейшей схеме, без единого резистора! Настолько простой, что никто не мог поверить в реальность его существования. Я, конечно, хотел поработать над ним: как минимум - увеличить все дроссели и сетевой трансформатор раза в три, а потом уже выкладывать, но народ просто не верил в то, что усилитель существует и может существовать, поэтому я решил выложить его в таком виде. На динамиках постоянка 0,9 вольта, но смещение диффузора очень небольшое, не более миллиметра, на звук никак не влияет, особенно если учесть, что дроссель имеет активное сопротивление 1,4 Ом, а нужен не более 0,14 Ом, что и будет потом сделано. Так как усилитель вообще не выключается, он подключен постоянно к компьютеру, и усилитель слушается долго! И с полосой снизу все ок. Но усилитель нужно дорабатывать, это пре альфа, и я выложил её исключительно для того, что бы все наконец-то поверили в такую простоту. Но естественно, имеются интересные и непонятные моменты в его работе, которые я с интересом готов обсудить с Коллегами, дабы помогли пролить свет на многие непонятные моменты.
|
 |
|
|
Ответов - 300
, стр:
1
2
3
4
5
6
7
8
9
10
11
12
13
14
15
All
[только новые]
|
|
|
Shef
|
| |
Пост N: 500
Зарегистрирован: 21.02.19
Откуда: Vancouver
Рейтинг:
0
|
|
Отправлено: 23.12.20 03:47. Заголовок: Ну-у, наконец-то! ))..
Ну-у, наконец-то! )) Замените одинокий диод на ДППВ - и пресловутый ДНАТ-400 может даже вообще окажется не нужен, с такими-то банками. Сильно сомневаюсь что ОППВ как-либо "улучшает звук". Скорее это заземлённая обмотка питания. Но тогда уж лучше будет либо нормальный транс питания с экраном между обмотками для ДППВ, либо сделайте вторичку с отводом от середины, будет тоже ДППВ, но с двумя диодами. 0,9 вольта на динамике - это, конечно, сильный перебор. Ну и подытоживая, всё почти свелось к небезыивесному гибриднику Гришина, только там мосфет включен повторителем, что ИМХО лучше, т.к. нагрузка получается притЯнута к земле. Там же обоснована требуемая индуктивность дросселя: 0,1 Гн для 4-х Ом и приведена метОда его изготовления.
|
 |
|
|
Виктор Я
|
| постоянный участник
|
Пост N: 447
Зарегистрирован: 22.02.20
Рейтинг:
4
|
|
Отправлено: 23.12.20 05:25. Заголовок: Reactor пишет: И во..
Reactor пишет: | цитата: | | И вот специально прикреплю цитату с позорищем от Виктора Я: |
|
Пока остаюсь при своём мнении Параметры, пожалуйста (ну и спектр, конечно) 1.3 А * 1.4 Ом не равно 0.9 В (или 0.9 В на каждом динамике?) Интересно подключён вход 
|
 |
|
|
Shef
|
| |
Пост N: 501
Зарегистрирован: 21.02.19
Откуда: Vancouver
Рейтинг:
0
|
|
Отправлено: 23.12.20 05:34. Заголовок: Кстатаи, по поводу в..
Кстати, по поводу входа. У вас всё ОК пока слушаете с сотового. Как только будет подключен более-менее мормальный аппарат - ваша батарейка окажется закороченной через земляной провод и мосфет закроется. Если так хочется её оставить - перенесИте её из земли в затвор.
|
 |
|
|
Сергеев Сергей
|
| |
Пост N: 8622
Зарегистрирован: 21.05.07
Откуда: Иркутск
Рейтинг:
26
|
|
Отправлено: 23.12.20 10:55. Заголовок: Shef пишет: ваша ба..
Shef пишет: | цитата: | | ваша батарейка окажется закороченной через земляной провод и мосфет закроется. |
|
Ну, это если соединять общий провод аппаратов. Хотя и перенести вреда не будет. Ходят слухи , что ОППВ лучше звучит.  Я кроме повышенного фона улучшений не замечал. Тут скорее вопрос "религии"
|
 |
|
|
r9о-11
|
| |
Пост N: 252
Зарегистрирован: 25.08.20
Откуда: Искитим, НСО
Рейтинг:
3
|
|
Отправлено: 23.12.20 11:04. Заголовок: Вы так серьёзно обсу..
Вы так серьёзно обсуждаете... А ничего, что это фейк, сделанный для того, чтобы приколоться? Чего на "этом" можно слушать? Левый канал? Или правый? Или по-очереди, чтобы потом рассуждать о разнице? Любой штирлиц вам скажет - что если бы "это" было рабочее и эксплуатировалось, то "оно" бы было в пыли... 
|
 |
|
|
Shef
|
| |
Пост N: 502
Зарегистрирован: 21.02.19
Откуда: Vancouver
Рейтинг:
0
|
|
Отправлено: 23.12.20 11:27. Заголовок: r9о-11 пишет: что э..
r9о-11 пишет: Ну типа да, как ответила блондинка на вопрос: какова вероятность встретить на улице динозавра? - 50%. - Почему? - Ну как, одно из двух: либо встречу, либо нет! )) Макет, действительно, не совсем понятно спаян или нет. Но вполне может быть. Слушается моно на 2-х колонках, вполне допускаю.. я сам пару-тройку месяцев в ентем годе слушал один канал на 826 прямонакале. Пыли нет.. ну так у меня тоже пили нет, у нас тут её вообще очень мало. Если уехать из хаты на полгода-год-два (было дело), её появляется ну совсем чуть-чуть. Приведённая схема хоть и с косяками, но вполне может работать.. ну и бывает, что в макете исправлено, а на бумаге ешё не. В общем, "или встречу, или нет"..
|
 |
|
|
r9о-11
|
| |
Пост N: 253
Зарегистрирован: 25.08.20
Откуда: Искитим, НСО
Рейтинг:
3
|
|
Отправлено: 23.12.20 11:31. Заголовок: А почему "Слушае..
Shef, а почему " Слушается моно на 2-х колонках"? Вторая же колонка неподключенная стоит. И, насколько я понимаю, никто не будет специально отключать колонку, чтобы сфотографировать "систему"...  Ещё, наверное, можно обсудить фильтрующие возможности и магнитные свойства беззазорного дросселя ДНАТ 400, стоящего в цепи постоянного тока 1,3А. Нет?
|
 |
|
|
Shef
|
| |
Пост N: 503
Зарегистрирован: 21.02.19
Откуда: Vancouver
Рейтинг:
0
|
|
Отправлено: 23.12.20 12:52. Заголовок: фильтрующие возможно..
| цитата: | | фильтрующие возможности и магнитные свойства беззазорного |
| (голосом Василия Алибабаевича): целых 107 миллиГе-енри!
|
 |
|
|
Reactor
|
| |
Пост N: 91
Зарегистрирован: 01.12.20
Рейтинг:
-2
|
|
Отправлено: 23.12.20 13:35. Заголовок: Сергеев Сергей пишет..
Сергеев Сергей пишет: | цитата: | | Ходят слухи , что ОППВ лучше звучит. Я кроме повышенного фона улучшений не замечал. |
|
В качестве сетевого применён выходник от усилителя кинап и сделан зазор примерно 0,5 мм , зудения трансформатора нет, фон в динамиках отсутствует! действительно вопрос применения дппв это вопрос религии. Кстати, самое интересное то, что ничего не экранировано и ничего не фонит! Shef пишет: | цитата: | | Кстати, по поводу входа. У вас всё ОК пока слушаете с сотового. |
|
Никогда не слушал с сотового 
|
 |
|
|
Reactor
|
| |
Пост N: 94
Зарегистрирован: 01.12.20
Рейтинг:
-2
|
|
Отправлено: 23.12.20 13:54. Заголовок: Shef пишет: Ну-у, н..
Shef пишет: | цитата: | Замените одинокий диод на ДППВ - и пресловутый ДНАТ-400 может даже вообще окажется не нужен, с такими-то банками. Сильно сомневаюсь что ОППВ как-либо "улучшает звук". Скорее это заземлённая обмотка питания. Но тогда уж лучше будет либо нормальный транс питания с экраном между обмотками для ДППВ, либо сделайте вторичку с отводом от середины, будет тоже ДППВ, но с двумя диодами. 0,9 вольта на динамике - это, конечно, сильный перебор. Ну и подытоживая, всё почти свелось к небезыивесному гибриднику Гришина, только там мосфет включен повторителем, что ИМХО лучше, т.к. нагрузка получается притЯнута к земле. Там же обоснована требуемая индуктивность дросселя: 0,1 Гн для 4-х Ом и приведена метОда его изготовления. |
|
Отвечу по пунктам надеюсь что Вы меня поймёте. 1 никогда не слушаю дппв так как не делаю лишней работы не приносящей профита. 2 я тут уже сколько лет твержу про превосходство ИТУН а Вы мне про какие то повторители, в гробу я их видел в схеме ошибка днат 400 на динамик а днат 250 на фильтр, но Вы правы днат 400 не нужен так как нужен дроссель киловатт минимум. | цитата: | | Макет, действительно, не совсем понятно спаян или нет. |
| r9о-11 пишет: | цитата: | Вы так серьёзно обсуждаете... А ничего, что это фейк, сделанный для того, чтобы приколоться? Чего на "этом" можно слушать? Левый канал? Или правый? Или по-очереди, чтобы потом рассуждать о разнице? Любой штирлиц вам скажет - что если бы "это" было рабочее и эксплуатировалось, то "оно" бы было в пыли. |
|
Вот как раз из-за таких форумных блондинок и не хотел выкладывать, так как знал заранее реакцию. | цитата: | | 0,9 вольта на динамике - это, конечно, сильный перебор. |
|
дубовые 4а32 смещаются не более чем на миллиметр. при увеличении дросселя постоянки совсем не будет а так как есть не слышно вреда. Вы не понимаете, насколько прозрачен звук этого усилителя, слушается источник. ------------ И вообще чтобы советовать мне что то по этому усилителю вы должны его повторить как есть без изменений а так ваши советы имеют нулевую ценность
|
 |
|
|
Reactor
|
| |
Пост N: 96
Зарегистрирован: 01.12.20
Рейтинг:
-2
|
|
Отправлено: 23.12.20 14:07. Заголовок: Виктор Я пишет: Пок..
Виктор Я пишет: | цитата: | | Пока остаюсь при своём мнении |
|
мнении чего? сделай как на схеме а потом своё мнение тут высказывай. Пока один недостаток недостаточное демпфирование но оно не связано с тем что нагрузка в стоке а исключительно с высоким активным дросселей и сетевика , активные нужно уменьшать раз в 20 и говорю это я не с потолка а потому что раньше я делал такой усилитель с бОльшими дросселями, это пре альфа для демонстрации того что то что я говорю подтверждается реальностью и каждый может убедится в этом повторив схему а не разводить детский лепет. А что интересного, если батарейку перевести в затвор то есть вероятность возникновения фона. этот способ включения при дроссельном входе наилучший и потом если не затролят я покажу ещё очень интересные варианты с лампами.
|
 |
|
|
|
|
Reactor
|
| |
Пост N: 100
Зарегистрирован: 01.12.20
Рейтинг:
-2
|
|
Отправлено: 23.12.20 14:41. Заголовок: Вот сделал фото где ..
Вот сделал фото где видно ток и выпрямитель оппв , кстати маленький кондёр и диод сверху это выпрямитель кулера не показаный на схеме. Shef пишет: | цитата: | | Кстати, по поводу входа. У вас всё ОК пока слушаете с сотового. Как только будет подключен более-менее мормальный аппарат - ваша батарейка окажется закороченной через земляной провод и мосфет закроется |
|
[img class=smile" src=/gif/smk/sm54.gif] Хоть на схеме и нарисован значёк земли но по факту усилитель никуда не заземлён и при подключении "нормального" источника его земля будет соединятся исключительно с ПЛЮСОМ(+) батарейки а не с землёй усилителя поэтому прежде чем делать какие то выводы нужно чуть чуть напрячь мозг.
|
 |
|
|
Shef
|
| |
Пост N: 504
Зарегистрирован: 21.02.19
Откуда: Vancouver
Рейтинг:
0
|
|
Отправлено: 23.12.20 15:15. Заголовок: Reactor пишет: нужно..
Reactor пишет: | цитата: | | нужно чуть чуть напрячь мозг |
|
простИте, не "мозг", а моСК ! Эээ, батенька, с вами всё ясно.. хоть заземлять, хоть "никуда не заземлять" - любой приличный источник сигнала имеет шасси закороченное на нулевой провод. Это значит вы когда сделаете 2 канала (особенно если с двумя батарейками), вас ожидают очень неприятные открытия. Скорее всего труднопреодолимые. В виде проникновения разной грязи и фона в целом в каналы через земляную петлю и ёмкости обмоток трансформатора питания.. пошёл я, что называется, "за попкорном" 
|
 |
|
|
Виктор Я
|
| постоянный участник
|
Пост N: 448
Зарегистрирован: 22.02.20
Рейтинг:
4
|
|
Отправлено: 23.12.20 16:34. Заголовок: Reactor пишет: сдел..
Reactor пишет: | цитата: | | сделай как на схеме а потом своё мнение тут высказывай. |
|
На хамство пока отвечать не стану Сначала параметры (для продолжения разговора) Если не умеешь ничего измерять - не нужно рассказывать о "хорошем" звуке в пустой комнате, из одной колонки с постоянкой на динамиках и жужжанием кулера на охлаждении транзистора А отсутствие фона мы увидим на спектре (если таковой будет)
|
 |
|
|
Reactor
|
| |
Пост N: 102
Зарегистрирован: 01.12.20
Рейтинг:
-2
|
|
Отправлено: 23.12.20 17:04. Заголовок: Shef пишет: Эээ, ба..
Shef пишет: | цитата: | | Эээ, батенька, с вами всё ясно.. хоть заземлять, хоть "никуда не заземлять" - любой приличный источник сигнала имеет шасси закороченное на нулевой провод. Это значит вы когда сделаете 2 канала (особенно если с двумя батарейками), вас ожидают очень неприятные открытия. Скорее всего труднопреодолимые. |
|
Ничего Вам не ясно а вот мне ясно многое ну да ладно. Я цеплял разные источники и соединял каскады так через дросселя, да Вы верно подметили один факт но не осознали его- при этой дроссельной топологии соединения нет общих земель у каскадов будь то источник или другие каскады все источники питания идут последовательно и общей земли НЕТ. Зрите в корень но не осознали что это преимущество и главная фишка , да и только так можно соединять дроссельные каскады. а что касается наводок если я их не слышу то их нет. Я специально нашел топологию от ухода от общей земли так как это тоже ОС а где ОС там смерть звука.
|
 |
|
|
ALSS
|
| постоянный участник
|
Пост N: 2213
Зарегистрирован: 28.09.09
Откуда: Украина, Черновцы
Рейтинг:
14
|
|
Отправлено: 23.12.20 17:09. Заголовок: Shef, ну не знает че..
Shef, ну не знает человек, что плюс батареи давно, чуть ли не со времён второй мировой. обозначается длинной черточкой, а минус - короткой. А так замечательно замечено в квадратиках - ну прям как нарисовано, так и понимать надо. По монтажу - не 4-проводное подключение конденсаторов наталкивает на мысль, что ниже 200 Гц сия штуковина - в целом - не воспроизводит. PS. У меня есть два дросселя 80 мГн 18 А с неизмеримо малым омическим, попросил человек для подобной схемы, я нашел, но он не захотел платить за 6 кг меди - "мне же для звука, а не сдавать!" Ну а мне на кой?
|
 |
|
|
Reactor
|
| |
Пост N: 103
Зарегистрирован: 01.12.20
Рейтинг:
-2
|
|
Отправлено: 23.12.20 17:09. Заголовок: Shef ,и не цепляйтес..
Shef ,и не цепляйтесь к значку земли на схеме так как земля усилителя не соединяется ни с какой другой землёй.
|
 |
|
|
Сергеев Сергей
|
| |
Пост N: 8624
Зарегистрирован: 21.05.07
Откуда: Иркутск
Рейтинг:
26
|
|
Отправлено: 23.12.20 17:14. Заголовок: Shef пишет: любой п..
Shef пишет: | цитата: | | любой приличный источник сигнала имеет шасси закороченное на нулевой провод. |
|
верно. Но если будут два независимых моноблока, то соединение их будет только в одной точке- общий провод источника.
|
 |
|
|
Reactor
|
| |
Пост N: 104
Зарегистрирован: 01.12.20
Рейтинг:
-2
|
|
Отправлено: 23.12.20 17:21. Заголовок: ALSS пишет: ну не з..
ALSS пишет: | цитата: | | ну не знает человек, что плюс батареи давно обозначается широкой черточкой, |
|
знаю, но всегда путаю почему то | цитата: | | По монтажу - не 4-проводное подключение конденсаторов наталкивает на мысль, что ниже 200 Гц сия штуковина - в целом - не воспроизводит. |
|
Этот усилитель не имеет проблем с басом и Вы можете повторить его чтобы в этом убедиться . И кстати что такое четырехпроводное подключение конденсаторов ? это просто макет пре альфа а вообще я соединяю всё в точку где можно и Вы не докажете мне обратного.. Виктор Я пишет: | цитата: | | Если не умеешь ничего измерять - не нужно рассказывать о "хорошем" звуке в пустой комнате, из одной колонки с постоянкой на динамиках и жужжанием кулера на охлаждении транзистора |
|
кулер не жужжит потому что работает в пол оборотов. на счет одной колонки то второй моноблок уже в процессе скоро скину фото а вообще докажи что стерео лучше. на счет постоянки угомонись, я же сказАл что это дроссель временно стоит по причине отсутствия бОльшего, но даже в таком виде этот усилитель растопчет все твои трансформаторные недоразумения. Shef, и что Вы подразумеваете под "нормальным" источником? Ну, есть у меня CD проигрыватель, на фото видно, я и его подключал и всё прекрасно работает. Не подключен сейчас потому, что нужен вместо дросселя на входе автотрансформатор с отводами, чтобы уровень громкости можно было менять, вот когда намотаю, тогда и сидюк подключу.
|
 |
|
|
RedStar
|
| постоянный участник
|
Пост N: 3660
Зарегистрирован: 02.08.16
Откуда: Смоленск
Рейтинг:
0
|
|
Отправлено: 23.12.20 17:52. Заголовок: А разве входы так не..
А разве входы так нельзя сделать для стерео? Так, для общего образования. 
|
 |
|
|
Ответов - 300
, стр:
1
2
3
4
5
6
7
8
9
10
11
12
13
14
15
All
[только новые]
|
|