| Автор | Сообщение |
|
Reactor
|
| |
Пост N: 89
Зарегистрирован: 01.12.20
Рейтинг:
-2
|
|
Отправлено: 23.12.20 00:27. Заголовок: Усилитель REACTOR пре альфа версия.
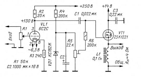
Вот, выкладываю работающий дроссельный усилитель по простейшей схеме, без единого резистора! Настолько простой, что никто не мог поверить в реальность его существования. Я, конечно, хотел поработать над ним: как минимум - увеличить все дроссели и сетевой трансформатор раза в три, а потом уже выкладывать, но народ просто не верил в то, что усилитель существует и может существовать, поэтому я решил выложить его в таком виде. На динамиках постоянка 0,9 вольта, но смещение диффузора очень небольшое, не более миллиметра, на звук никак не влияет, особенно если учесть, что дроссель имеет активное сопротивление 1,4 Ом, а нужен не более 0,14 Ом, что и будет потом сделано. Так как усилитель вообще не выключается, он подключен постоянно к компьютеру, и усилитель слушается долго! И с полосой снизу все ок. Но усилитель нужно дорабатывать, это пре альфа, и я выложил её исключительно для того, что бы все наконец-то поверили в такую простоту. Но естественно, имеются интересные и непонятные моменты в его работе, которые я с интересом готов обсудить с Коллегами, дабы помогли пролить свет на многие непонятные моменты.
|
 |
|
|
Ответов - 300
, стр:
1
2
3
4
5
6
7
8
9
10
11
12
13
14
15
All
[только новые]
|
|
|
topojijio
|
| |
Пост N: 1867
Зарегистрирован: 08.02.12
Рейтинг:
1
|
|
Отправлено: 13.02.23 02:38. Заголовок: Провода можно и поко..
Провода можно и покороче сделать.. В похожем усилителе Хьюстона нету дросселя на входе. Но зато есть антизвонный резистор 1К... Завтра оба варианта попробую. Ваш Сергей и антизвонник. Мне интересно, сможем ли мы запустить эту схему Реактора, или Реактор опять окажется сказочником ... 
|
 |
|
|
topojijio
|
| |
Пост N: 1868
Зарегистрирован: 08.02.12
Рейтинг:
1
|
|
Отправлено: 13.02.23 03:19. Заголовок: Сергей, ура!!!! Пос..
Сергей, ура!!!! Поставил сейчас резистор вместо входного дросселя, все исчезло!!!! Правда пока не знаю будет ли играть так музыка... И какой должен быть дроссель по входу ??? Может без немагнитных зазоров??? 
|
 |
|
|
r9о-11
|
| |
Пост N: 1642
Зарегистрирован: 25.08.20
Откуда: Искитим, НСО
Рейтинг:
4
|
|
Отправлено: 13.02.23 10:04. Заголовок: По входу дроссель не..
По входу дроссель не нужен. Такой усилитель собирается прямо "на радиаторе", т.е., соединение почти всех деталей друг с другом происходит их выводами. Если требуется, то можно поставить стойки или коммутационную планку. То, что у Вас начинает шуметь в соседних колонках - это результат возбуждения этого усилителя. Контролировать возбуждение лучше не на слух, а ВЧ детектором на диоде.
|
 |
|
|
SergeL
|
| |
Пост N: 1063
Зарегистрирован: 13.10.10
Откуда: Йошкар-Ола
Рейтинг:
3
|
|
Отправлено: 13.02.23 13:52. Заголовок: topojijio пишет: Пр..
topojijio пишет: | цитата: | | Правда пока не знаю будет ли играть так музыка. |
| Играть-то будет. Но тише, чем с дросселем. Коллега r9о-11 уже диагностировал самовозбуд. Все Ваши предыдущие измерения некорректны. Есть смысл замерить ток через транзистор ещё раз. Если результат устроит, можно вернуть потенциометр (пока без входного дросселя), подать сигнал и послушать.
|
 |
|
|
topojijio
|
| |
Пост N: 1869
Зарегистрирован: 08.02.12
Рейтинг:
1
|
|
Отправлено: 13.02.23 15:22. Заголовок: Хорошо, тогда встреч..
Хорошо, тогда встречный вопрос. Этот режим 27В и 1,9А для 10N20 насколько корректен ? Может стоит поиграть с величиной смещения и посмотреть THD на выходе ? 
|
 |
|
|
r9о-11
|
| |
Пост N: 1643
Зарегистрирован: 25.08.20
Откуда: Искитим, НСО
Рейтинг:
4
|
|
Отправлено: 13.02.23 15:34. Заголовок: Дык эта... Пока усил..
Дык эта... Пока усилитель не работает, нет смысла "играть" с чем либо. 
|
 |
|
|
topojijio
|
| |
Пост N: 1870
Зарегистрирован: 08.02.12
Рейтинг:
1
|
|
Отправлено: 13.02.23 15:55. Заголовок: Вы правы, ток через ..
Вы правы, ток через транзистор низкий... Итак. Если на входе резистор 70 Ом, от ток через транзистор 0,4 А. Если повышаем резистор на входе до 150 Ом, ток через схему уже 0,8 А ... При дальнейшем повышении параллельного резистора на входе ток остается также 0,8 А... Как поднять ток ? 
|
 |
|
|
Shef
|
| |
Пост N: 1037
Зарегистрирован: 21.02.19
Откуда: Vancouver
Рейтинг:
2
|
|
Отправлено: 13.02.23 16:21. Заголовок: Ооо!! новый сезон се..
Ооо!! новый сезон сериала )) Топожижио, в этом и есть недостаток "простых схем от Реактора" что надо полностью понимать что вы делаете.. а с этим большая напряжёнка. Забросьте реактора нафиг, Забудьте про дроссель, сделайте как выше у Хьюстона, тем более что питание нужно такое же, только нагрузку можно 8-16 Ом вместо 32-х. Поставьте 15 Ом в сток как по схеме, и выкиньте батарейку нафик - вы же уже видите, что всё очень зависит от конкретного экземпляра мосфета. Кстати, у Хьюстома антизвонник 1К включен неправильно, точнее, резистор 1М должен подходить к левому его выводу по схеме. Иначе это не антизвонник. Далее, шщитаем: 12в падения на 15-омном резисторе как раз примерно 0.8А.
|
 |
|
|
SergeL
|
| |
Пост N: 1064
Зарегистрирован: 13.10.10
Откуда: Йошкар-Ола
Рейтинг:
3
|
|
Отправлено: 13.02.23 16:29. Заголовок: topojijio пишет: Ес..
topojijio пишет: | цитата: | | Если на входе резистор 70 Ом, от ток через транзистор 0,4 А. |
| Опять ничего не понял. На каком входе резистор?
|
 |
|
|
Shef
|
| |
Пост N: 1038
Зарегистрирован: 21.02.19
Откуда: Vancouver
Рейтинг:
2
|
|
Отправлено: 13.02.23 16:33. Заголовок: SergeL пишет: ничего..
SergeL пишет: | цитата: | | ничего не понял. На каком входе резистор? |
|
Вы правильно всё понял.. он батарейку им высаживает. Я ж грью, делать Хьюстона вместо реактора, никаких дроццелелий, бес пили бес шуму (ц) Лёлик
|
 |
|
|
topojijio
|
| |
Пост N: 1871
Зарегистрирован: 08.02.12
Рейтинг:
1
|
|
Отправлено: 13.02.23 17:28. Заголовок: А если по такой схем..
А если по такой схеме включить, но без лампового драйвера? Вобщем буду изучать теорию.. Кстати, ни у кого нету схему итуна на 10n20 и 10p20, у меня ведь пара... Хочу сделать просто итун с высоким выходным... 
|
 |
|
|
|
|
r9о-11
|
| |
Пост N: 1644
Зарегистрирован: 25.08.20
Откуда: Искитим, НСО
Рейтинг:
4
|
|
Отправлено: 13.02.23 17:57. Заголовок: Не торопитесь. По эт..
Не торопитесь. По этой схеме дроссель в истоковом повторителе должен быть не абы какой. Его нужно "посчитать", зная параметры акустики. Гораздо проще поставить в исток резистор и подключить акустику через конденсатор. Вы зря "боитесь" конденсаторов в схемах. Судя по тому, что пишут - чтоб услышать его влияние нужна достаточно хорошая "система", а чтоб понять, что это влияние "нехорошее" - очень хорошая система и слух, привыкший к "живой" музыке. Думаю, что нам это не грозит. 
|
 |
|
|
SergeL
|
| |
Пост N: 1066
Зарегистрирован: 13.10.10
Откуда: Йошкар-Ола
Рейтинг:
3
|
|
Отправлено: 13.02.23 19:36. Заголовок: topojijio пишет: А ..
topojijio пишет: | цитата: | | А если по такой схеме включить, но без лампового драйвера? |
| А я думал Вы намерены довести до ума исходную схему.
|
 |
|
|
topojijio
|
| |
Пост N: 1872
Зарегистрирован: 08.02.12
Рейтинг:
1
|
|
Отправлено: 13.02.23 21:05. Заголовок: Сергей, я очень хочу..
Сергей, я очень хочу довести до конца эту схему... Напишите только как ... Вы же с r9 выше сами сказали что у меня не получится... и транзистор у меня заводится (типо брак).. Схема реактора супер!!! Я даже готов перемотать выходной дроссель чтобы сделать лучше ... Скажите что мне делать. Макет у меня пока не разобран ... 
|
 |
|
|
SergeL
|
| |
Пост N: 1067
Зарегистрирован: 13.10.10
Откуда: Йошкар-Ола
Рейтинг:
3
|
|
Отправлено: 13.02.23 21:22. Заголовок: topojijio пишет: Ск..
topojijio пишет: Монтаж должен выполняться проводами минимально возможной длины. Компоненты должны располагаться максимально близко. Если транзистор изолирован от радиатора, последний необходимо электрически соединить с истоком. Все соединения общего провода выполнять "звездой" с центром на истоке транзистора. Сердечник нагрузочного дросселя так же должен быть соединён с истоком. Руководствуясь этими правилами соберите схему из транзистора, дросселя, батарейки и блока питания. Между затвором транзистора и истоком временно впаяйте конденсатор 100-300 пикофарад. Никаких соплей и скруток. Выводы конденсатора должны быть припаяны непосредственно к ножкам транзистора. Запитайте схему и расскажите о ситуации самовозбудом. topojijio пишет: Я Вам этого не говорил.
|
 |
|
|
r9о-11
|
| |
Пост N: 1647
Зарегистрирован: 25.08.20
Откуда: Искитим, НСО
Рейтинг:
4
|
|
Отправлено: 13.02.23 22:02. Заголовок: И я не говорил про б..
Я тоже не говорил, что транзистор бракованный. И, мне кажется, что у Вас радиатор для такого усилителя маловат. Или на него будет крепиться вентилятор? Просто, если на транзисторе напряжение 27 В и ток через него 1 А, то это говорит о том, что он рассеивает 27 Вт в виде тепла. А это немало...
|
 |
|
|
Сергеев Сергей
|
| |
Пост N: 9156
Зарегистрирован: 21.05.07
Откуда: Иркутск
Рейтинг:
27
|
|
Отправлено: 13.02.23 22:10. Заголовок: topojijio пишет: Сх..
topojijio пишет: И откуда такая уверенность? 
|
 |
|
|
topojijio
|
| |
Пост N: 1873
Зарегистрирован: 08.02.12
Рейтинг:
1
|
|
Отправлено: 13.02.23 22:20. Заголовок: Сергей, спасибо за н..
Сергей, спасибо за надежду, буду дальше колупать эту схему.... Начнем с радиатора. Я в первый раз собираю транзисторный усилитель, тем более он на полевике.... Итак, сам транзистор у меня прикручен к радиатору без изоляции, то есть исток и радиатор звонятся.. Там просто термопаста между транзистором и радиатором. Сергей, здесь тоже много тонкостей, в этом узле крепления... как правильно его сделать ??? Ставить слюдяную прокладку, или пусть звонится исток и сам радиатор??? Как грамотно сделать ? 
|
 |
|
|
r9о-11
|
| |
Пост N: 1648
Зарегистрирован: 25.08.20
Откуда: Искитим, НСО
Рейтинг:
4
|
|
Отправлено: 13.02.23 22:33. Заголовок: topojijio, а Вы где ..
topojijio, а Вы где даташит на свои транзисторы взяли? Можно ссылку?
|
 |
|
|
topojijio
|
| |
Пост N: 1874
Зарегистрирован: 08.02.12
Рейтинг:
1
|
|
Отправлено: 13.02.23 22:48. Заголовок: Если вы про электрод..
Если вы про электроды транзистора, то я их определил ESR метром. Даташит даже не смотрел. Смотрел схему усилителя.. Исток на корпусе транзистора. Вот такие же у меня. 
|
 |
|
|
Ответов - 300
, стр:
1
2
3
4
5
6
7
8
9
10
11
12
13
14
15
All
[только новые]
|
|